

第1页 / 共18页

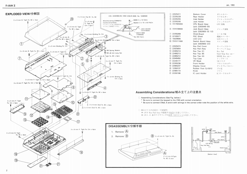
第2页 / 共18页

第3页 / 共18页

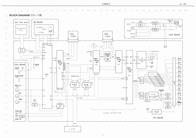
第4页 / 共18页

第5页 / 共18页

第6页 / 共18页

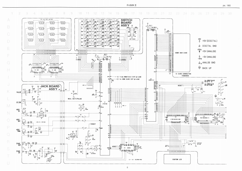
第7页 / 共18页

第8页 / 共18页

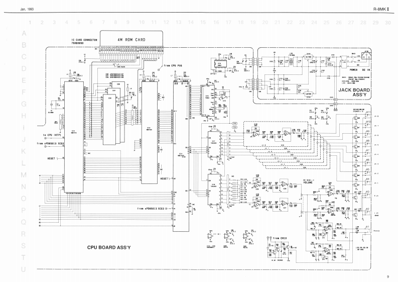
第9页 / 共18页

第10页 / 共18页
试读已结束,还剩8页,您可下载完整版后进行离线阅读
THE END
Jan 1903R-8MK I7-日MKISERVICE NOTESHUMAN RHYTHMFirst EditionC▣AP▣SE7TABLE OF CONTENTS目次PageSPECIF1CAT门05---111t1f仕样-11i11111SPECIFICATIONS/仕株L0CA几ON0FC0T月C风81mm11…/早配图回i…-1EXPLODED VIEW-11111t44…Exnenian Podul EAd以00XDA0月AM1t1n1n114。ブ口y7☑4-------…4CIRCUIT DE3C月iPT0N3tm1m1m4:..。可落相u:4---,-:-.,:-.-:-.--.-.-.,5CPUB04月DA3SYr1r1111m1n11u14CPUE0 ARD ASSY---…--·---·6JACK B0ARD A8SY..................JAcK BoARD AsSY-..........-..-.-..........ASWITCH BOARD ASSY........................SWTCH BOARD ASSY7TE3TM00E&ADJUSTEMENT于天卜毛-K.明整-10一140 ENTIFYING VERSION NUMBER·5-a>②w8方法…----…-…13LOA0 ED FACTO0 RY PRESET·工喝出荷畔D子-夕2口一方法…130 ATA SAVE儿0AD11a111444·7-夕0七一ブ之口一方法…14-一16LOCATION OF CONTROLS/Y礻L配置☒LCD UNEOiselly Carr[10O944周225237e218g1A909K1118KB0571-1-1Card重iga Connactor127元8951144P12246511%11345921门1HLU65210100114424108LED2246511例50.2012AA-10K15029251335341)Sockai IMDl常220241113296(132972wHL4306-01-303344KE21-029(1344124785女BwitohLJ2521-1-11D500A31312915049N02E401002E010K的TpA41344913305F119181293918N62E50e00229防214229521802249652145A力SatrhKey Pad AanyEVC33306KEVD-39905.22284111312☒743(13127743Koy Pa Cov2202410Roland17元59883Pt回n Japan (A标段1
请登录后查看评论内容