

第1页 / 共26页

第2页 / 共26页

第3页 / 共26页

第4页 / 共26页

第5页 / 共26页

第6页 / 共26页

第7页 / 共26页

第8页 / 共26页

第9页 / 共26页

第10页 / 共26页
试读已结束,还剩16页,您可下载完整版后进行离线阅读
THE END
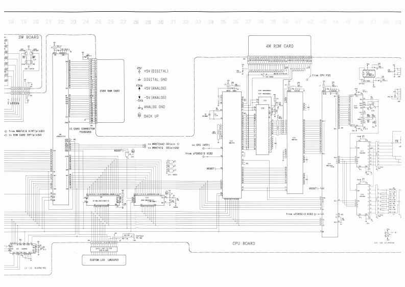
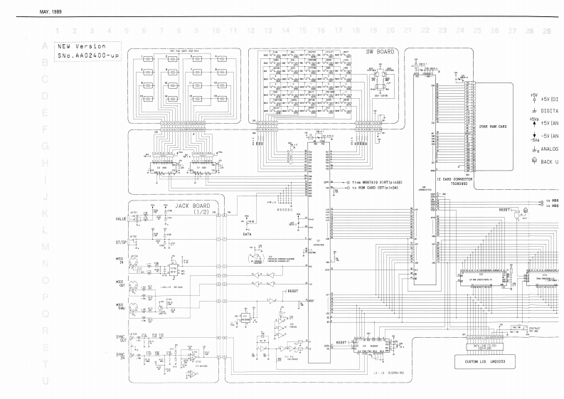
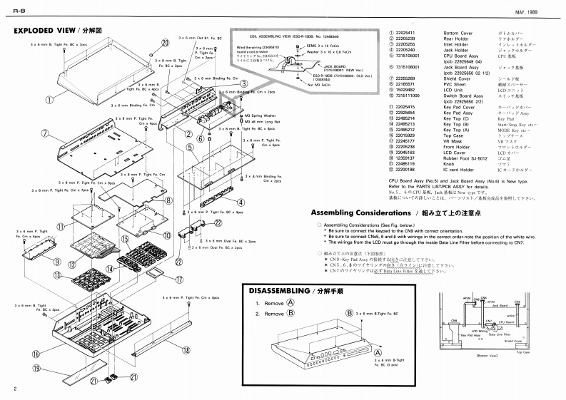
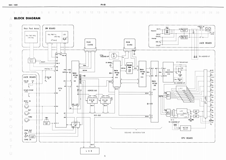
MAY,1989R-8只-8SERVICE NOTESTABLE OF CONTENTS目次PageSPECIACATIONS仕核HUMAN RHYTHM COMPOSERFirst EditionEXPLODED VIEW分解回DISASSEMBLING分解干顺SPECIFICATIONSPARTS LIST)-以天a.4Menery Capa有paii=J2e城Rhythm PulernsBLOCK DIAGRAM▣以7回CIRCUIT DESCRIPTION国路解脱Song7D IMo frnaraures i 0少”)夕菱板《新】10JACK BOARD INEWI6,71=20250CPU BOARD (NEW)CPU蒸板《新6,7Noise LealLam thes -78 dBm IDN](UMONO OUT)SWITCH BOARD (NEW)入个以乎墓板8.7F.P D.75y 1.3Hoz.cEkHe300m4+16W8m4-10JACK BOARD (OLDI白tmDw艺?7夕菱板旧)8.9.TWCPU BOARD (OLDICFU苏板[I旧8,9Dimansiona410A260川A700mmTEST MODE学又卜毛-N10-1418-181116234in31kp J 68b 109.502AJUSTMENT壁仕样15UCA0直CH分5ACApPCHANGING INFORMATION交更案内1612445601100.1244060111200CORRELATION TABLE IPCBs and Parts)基板之能品功相假表17t44c212r2T1.1244e6012A12446582a0EIC DATA1C宁一夕倍28925210m6sMs4nl1D0W29925242:Qn6sM4lE7+10Sound ROM Card-10VMemory Card M-2GGED RAM-0W150mAt2566374:8att6yCn-2914DP-21Pedal Swiech)FS GUIF0atS纳hEV-KEV-IOIFoot Volumal4-1g0410w0LCD Unit AssyLCD CoverCard HolderPet.112411502948212204516312220018RKD9K111 10kBHLJ0521-01-110A0H120120W0134491331124461ACH-220220ack1124495321HLJ6521-01-010ACH-240A 1240VA)(134492480412445031ACH-240E (240VE)112448541TL0-126Po(150292580RS30112AA-10KB11335834122485119到Battom CoverSodket (MDIlg530111AA-10KB220254111D口-Ng1133334741342916811342727245119Pin JackHLJ430601-3080KC21-0@19NiSDKWAI144823(1344962594131291501Key Pad CoverBumonSwitchBottom Cover220254151JackTK-305 (blacklTop CiseE0.33305K72025411Key Pad Asy052101-11011247925220258211312974313129743229256541113449133249815501222105212111251372245214RolandPrinted in Japan-Al-2 (CRI1
请登录后查看评论内容