

第1页 / 共18页

第2页 / 共18页

第3页 / 共18页

第4页 / 共18页

第5页 / 共18页

第6页 / 共18页

第7页 / 共18页

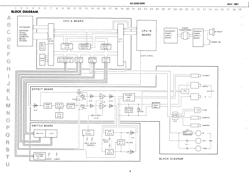
第8页 / 共18页

第9页 / 共18页

第10页 / 共18页
试读已结束,还剩8页,您可下载完整版后进行离线阅读
THE END
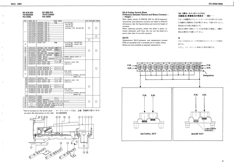
NOV.1987A0-2506/3006RD-250s/300sPCB LOCATIONCPU-B BoordSPECIFICATIONSSERVICE NOTESSecondary Power Supply BoardKepboard····...--76y,EtoG RD2S0gFirst Edition88k0Y,40CRD300gs601..AN01,PAN02,A0Switoh BoardVIBRAPHONE.E.PIAND 110..............HARPSICHDRD.CLAVI.5.PIANO2Tunabls Rangs土1BcetOutpat Level.......N:410d M:OdB,L:-10dBlPrimary Power Supply BoardPower Corasmgtien...20W 100v/11TV2w:20W24VDimimiom,,,,-,--12粒Mx461D里133Hmm487Bx1818x514in1405WMx461D)133H1nm555/16xt818x51/4inA0300s.290/B4b.RD2508330/72b.14e3.RD-3008C气J-A BoardEFFECT BoardPHOTO RD-2505No.Part NumberPart Name DeseriptionModel①21125277Side Panel,lett御板左common222215570Top PanelD-250322215571卜,升惊几RD-300s21125278Side Panel.righe板右cormon④22125238Plate,left九=k左coomon22125239Plate,right九-卜者甲21135165Baxe恋极aD-2508211351663D-300s67619020000Keybaard A%整ySK-676E四健璧为aD-25037619120000SK-6B5E即RD-3008②21145241Blind口板3D-2506211452425D-300s821165130End Block,left/right怕子本者/左G00a00lllustration RD-300S22265121Key Felt*-7xhcoononRolandPrintod in Japan BA-2LH
请登录后查看评论内容