

第1页 / 共15页

第2页 / 共15页

第3页 / 共15页

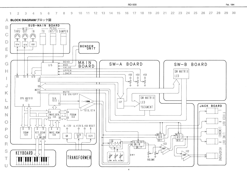
第4页 / 共15页

第5页 / 共15页

第6页 / 共15页

第7页 / 共15页

第8页 / 共15页

第9页 / 共15页

第10页 / 共15页
试读已结束,还剩5页,您可下载完整版后进行离线阅读
THE END
F随.199RD-5007口-5▣▣SERVICE NOTESSPECIFICATIONS/仕横OKeyboard./黄性▣IGITAL PIAN▣First Edition68c约5oge1o0 aolever mechartir4/88[n之>7一了7乡■之恤1O其aum问hey/最大可时e香超女/2得音oTos00oupw/卜-2y-プ.-.-GRAND1,GILAND2,ECRAND MKS-20,RHODES E.PIANOTABLE OF CONTENTS目次PageCLAHAPSL ONGAN,SYNTH STRNGS RASS.PERCUSSION3 PECIFICAT门0Ns44:仕模1nnna4---…T121 varttiors rclud-oI rhythn se0/色ti21音色【1yx么女y卜&含Cl0CA门0N0FC0 NTROL5-nnna1了来儿配置区…-n,20 atup Manery./字7卡7,寸:gTy-Proset:1/:1B0 CK DIAGRAM-…-,02aa.-40w:31/3-f-i31NIRING DIAGRAM…111=,7女)岁区…,5Oe/工7x夕kChons,R8t.E0ne/3-7天。月rt-.423好-EYB0 ARD PARTS UST…键壁《-y)又卜1aa….7CC0mee1er5/鳌酰w子:Ou中t红风MgwC用/T今卜了g下少+y7KEYB0A月DDA8SEM日LY·--…,量整分解手顺4…--:--…7、8h时Ou中曲红用/门XDP今N7gN岁+y7PEDAL UNIT PARTS L5T1=nan1aa:心经h1二y卜《-y)入卜11n111a1na9P如ha但MPERINT+T风,TV/州室是罗+y7TEST0D-911=1511111114a1a44学入k毛一K11m1=1n1m1s1m1a1a1s4449-11WDI Comecor N OUT THAUV/MD-3WTCH-8B04A0ASsY-----SWITCH-8804A0ASSY…-……11MAIN BOARD ASSY-.-.-.-.-...................MAIN BOMRD ASSY.-.-.-.-.-............12.13OPpesr3upy/室谦--AC100V.AC117V.AC230V or AC24TVSUB MAIN日0A月DA5SY-11m1n111a+·SUB MAIN日Oa月0ASSY=11n11an1a1:12.13TRANS BOARD ASSY................-.-.-.-...TRANS BOARD ASSY...............-.-12.15Potar Cororumplion/有费博力1EW IAC100V.AC117VA 17W IAC230N.AC290V)SWTCH-A BOARD ASSY.-.-.-.-...............SWTCH-A BOMRD ASSY-.-.-.-.-.-.-.-.-14.15C0nt4s5/务居造:41PMx310量1410m/410相x3别《离打)14t魔】mMCKB0AHDA58Y…1r1n1n1n1a1n·ACXB04月DA53Y…1=11n1n11n14.15经-7酒x15力路4球160得释⊙w好t/重量--aOAe6 essoriera/想课付国围O修4/Wg我M唐Duner's Mangal Set Expor IEngsh:Pno.70232023h0Cd8B0W00-531-01100MP013122840m8m230EC-6t1-E00220mP013022击0C84时8m24WA8C-08-82240WA1013月22园AC Gord PHEB-Z-WCTFK-BS-CHE-22 (24VE):Pro.口雪口口Roland1705073Prined in Japan (AGE0C用1
请登录后查看评论内容