

第1页 / 共22页

第2页 / 共22页

第3页 / 共22页

第4页 / 共22页

第5页 / 共22页

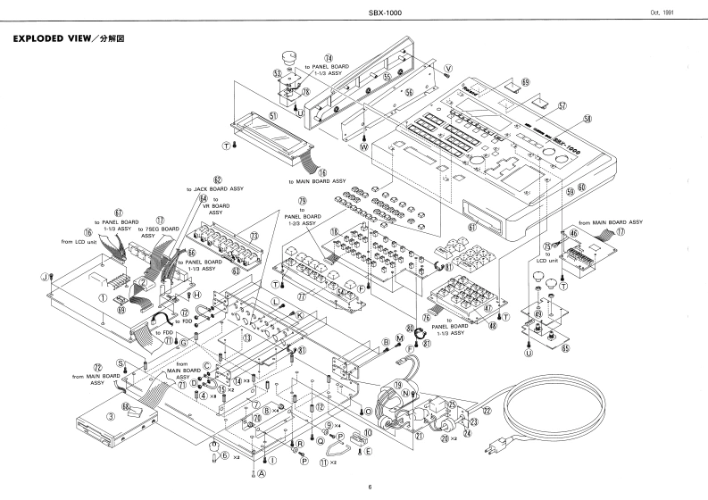
第6页 / 共22页

第7页 / 共22页

第8页 / 共22页

第9页 / 共22页

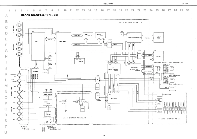
第10页 / 共22页
试读已结束,还剩12页,您可下载完整版后进行离线阅读
THE END
0L,31sBX-1000S日X▣▣▣SERVICE NOTESSPECIFICATIONS/仕樣I.30 Ion loroecloA▣ICUEING a▣XFirst Edition时0都多刻69CONTENTS/目次,E凡LL1E海u要二A0N线UEtL便gW门O市0 ous-Calietw Tro-04-PAATSLEGTBLOCK DLAGRAM70y2Piion i oute dite nten etelPANEL BOAID 1-LOASSEVOLYPANEL BOAND 1-20ASSEMBLY3一1NAN DOARD CINCUIT DLAORANMAN BOARD6HOE4C结fN1455g2PANEL90AAD2A88EVBLYc0w404EST MOOE4×3-C利CHECKDR MODEROM VERSION CONFRAMING MOOE20410学=李1.22色0。GENERAL VIEW/摄觑GENERAL DESCRIPTION摄要The S8X-1000 is a MD cueing box which tranemitsS组X-1000体.SPTE乡(么-三一¥坐送柱十&横因上月财L(MIDI情限,GPI号全递每十石鱼如vio which tranamt红MPTE time cod银MIDI CUEING BOX."MDr is the abbreviation doe "Musical Inetrument◆nn'4 Munsipoll lrstrstt0 tal Itterface略C.四衡卖情银音切与无情银丝上。引chan到o musical parf和mance data and oter层天名切巴5名粉娇故一规格零卡。D闭C甘.健置冬大与网梦惠营滑人2与上·一在演刻秒作圣,G0fre6V5 nuicol prfurmance“io-s“,3hsth国国情银上儿云板…车十。0G15co0U地色data.电0心Intertace"G四已了7这,了已用第食模后⑦★2,★7,71G3mm3nd&1e例gnal whiccontrols such0 perotio5s@t”."p,md“px督号心十。:"gMTt”s-8at地reviati3nfor"5 ociety of Motion"SMPTE Socicty of Motkn Mcture and TelevisinSVPTE time a南g4n海同o特d by theMPTE9亻4子一P,学A月为0sPTE二上s℃SMPTE,and is commonly used for creating addresspaints in viden tape and film or editng purpoees二七交目的北儿T,子一/扬体学6山上只7日Raler to“SMPTE OUTL山Eg”dor detaln.评巴村℃H,「TE裂粉:夏专原LC下多Roland17053607Prinoed in Japen AGE的CRO
请登录后查看评论内容