ROLAND_SBX-80_维修手册电器原理图

ROLAND_SBX-80_维修手册电器原理图-找手册网
ROLAND_SBX-80_维修手册电器原理图
此内容为付费资源,请付费后查看
1921
立即购买
您当前未登录!建议登陆后购买,可保存购买订单
付费资源

第1页 / 共10页

第2页 / 共10页

第3页 / 共10页

第4页 / 共10页

第5页 / 共10页

第6页 / 共10页

第7页 / 共10页

第8页 / 共10页

第9页 / 共10页

第10页 / 共10页
已完成全部阅读,共10
THE END
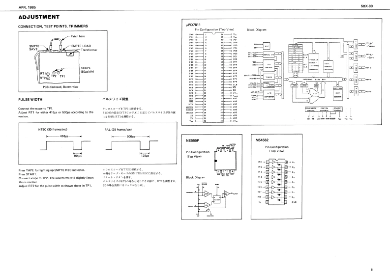
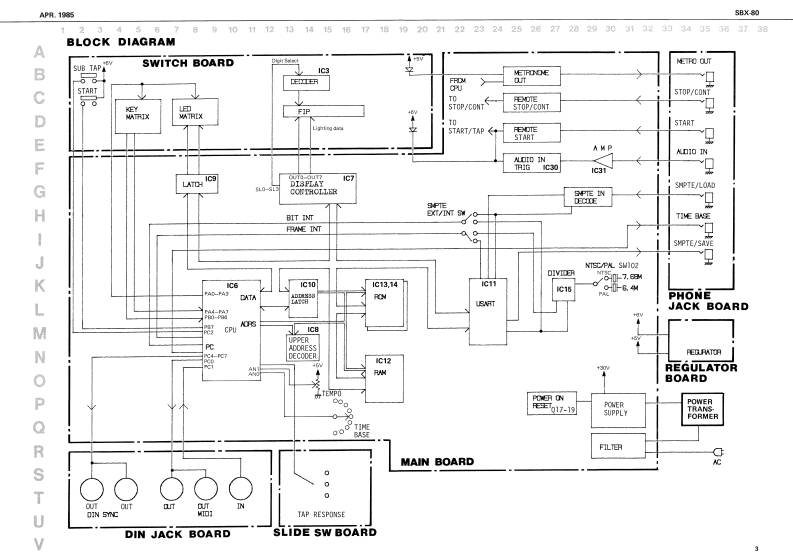
APR.1985SBX-8053X-8OSERVICE NOTESSPECIFICATIONSFirst Edition【VF04FJC0I5I00gINPUT11327971SMPTE LOAD240aaLEVELBh4学手TAFE TRANSIEN SPEED NTSC24002H101月PAL光CM2500FRAME FRCOUENCY;MTCJ0 FRMAoncPALE6 CAM 25P用UD的INLEVEL:-2011nIVFEOANCEOUTPUT5h区中afy于66861.SVPPMJOAOCTAPE SPEED2406对i百g5=:s122438331FRAME FRECUCNCY224792H有●PALISECAW2o PRVilecTIVE RASE日a8655=WVIruMETRONDVEO青R CONSUMPTION11DIMC福IONS113打时方IDIx4-37160n127470G3224)8991-122251Pa是222g424153141141@11010222101224对21AC Irkt aeDNcc职106220YPA1花13270口判行平34w3134MIDI 3-NS21】342ǜ】4t0mNh时的A4学手220010100KL10月1144114012242014200ENTER (22470051000RolandPrinted in Japan B-3
喜欢就支持一下吧
评论 抢沙发

请登录后发表评论

    请登录后查看评论内容