

第1页 / 共18页

第2页 / 共18页

第3页 / 共18页

第4页 / 共18页

第5页 / 共18页

第6页 / 共18页

第7页 / 共18页

第8页 / 共18页

第9页 / 共18页

第10页 / 共18页
试读已结束,还剩8页,您可下载完整版后进行离线阅读
THE END
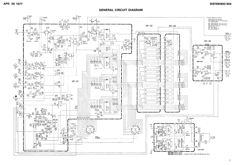
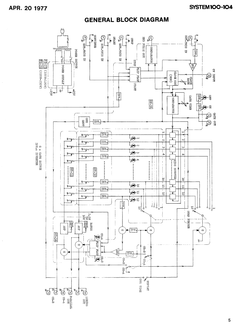
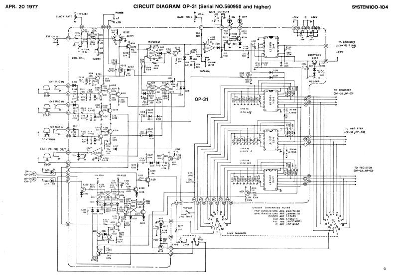
APR.201977SYSTEM100-104CONTENTS1.SPECIFICATIONS.................................2.DISASSEMBLY and PARTS LOCATION.........................................33.CIRCUIT DESCRIPTION .....................................................44.GENERAL BLOCK DIAGRAM.……55.GENERAL CIRCUIT DIAGRAM..............................................76.PCB ASSEMBLY and CIRCUIT DIAGRAM ......................................8~96-1 SEQUENCE BOARD (OP-31).............................................106-2 REGISTER BOARD (OP-32,OP-33)........................................116-3 OUTPUT RANGE and CHANNEL SELECT BOARD (OP-34)....................126-4 POWER SUPPLY BOARD (PS-25,PS-26)....................................137.ADJUSTING PROCEDURES·.....:·8.PARTS LIST.....................………169.PARTS PICTORIAL·..··1
请登录后查看评论内容