

第1页 / 共19页

第2页 / 共19页

第3页 / 共19页

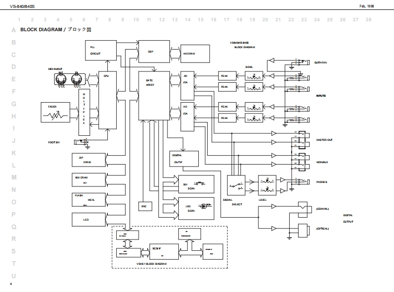
第4页 / 共19页

第5页 / 共19页

第6页 / 共19页

第7页 / 共19页

第8页 / 共19页

第9页 / 共19页

第10页 / 共19页
试读已结束,还剩9页,您可下载完整版后进行离线阅读
THE END
他.塑VS-840V840SVS-B4▣/B4▣SSERVICE NOTESSPECIFICATIONS/主在仕樣G WORKSTATIONFirst Edition路4arIssued by RJA得朝1wn:4六Hov思TABLE OF CONTENTS目次PageSPEG月℃T0NS“。·。·。。主拿仕棵“。。a。。1LOCATION OFCONTROLS......................出骨来人配图同““““2三苦中蛋监器东B以0 CK DIAGRAM4生沿盐PART兮ST-yy天卜0“““S,6IDENTIFYING THE VERSION NUMBER..........一沙三之十之骨一骑阅方法“。7:TEST00E。aa0aa。于X卜无一罪aa.7w9VS-840 SYSTEM SOF TWARE UPDATES形E上石多x于点-莎5之了y习三este tUSINGTHESMF....................亿7t“04040440444444444440.4“9SN3 USER AREA·1一好一工月了吻保存“9CIRCUIT DLAGRAM&BARD.................路同板同1015SPEC日月CATIONS S4S-1)·”仕棵N545-)““17INSTALLINGTHE (VS4S-1)..................本体A②取付甘E2tS4S-1)=17法三一出.日PARTS LIST(VS4S-1)“-7号天0N545-1)18路主兰一置CIRCUIT DIAGRAM&0 ARD(VS4S1)···路同&基板同0W545-1)18.19会密士恩器密.世密去盖肠.密在中”白△h书特gw@oo10oll庄8666▣在,8军名4a-福,国m和一花出品,Copyrig ht1998 by ROLAND CORPORATIONROLAND CORPORATION包有四一幕.毛儿《仕全幕老铜断工夜写·板载有否二上老禁化主方+Roland 17059909Prirted in Japan (A000)(CR)
请登录后查看评论内容