

第1页 / 共27页

第2页 / 共27页

第3页 / 共27页

第4页 / 共27页

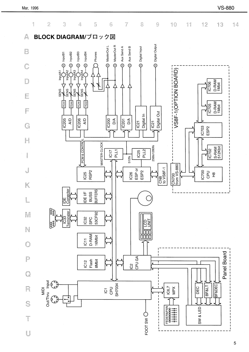
第5页 / 共27页

第6页 / 共27页

第7页 / 共27页

第8页 / 共27页

第9页 / 共27页

第10页 / 共27页
试读已结束,还剩17页,您可下载完整版后进行离线阅读
THE END
Mar,1996VS-880Vs-BB▣SERVICE NOTES▣IGITALFirst EditionSTUIO WORKSTATIC▣NIssued by RJATABLE OF CONTENTS目次PageSPECIFICATIONS…仕横……2EXPLODED VIEW.............................分解☒…3LOCATION OF CONTROLS ...................パ礻儿配置☒………4BLOCK DIAGRAM.............................ブ口☒…5PARTS LIST................................../-ツ又卜…6心8TEST MODE..................................デ又卜无-ド…9心13VS-880 SYSTEM SOFTWARE UPDATESMFE百之又于ㄙ)1バ-沙ョTyブUSING THE SMF.............................SAVING SYSTEM PARAMETERS...............又于么/心ラ火一夕-0保存…15MAIN BOARD ASS'Y...........................MAIN BOARD ASS'Y…17~21PANEL BOARD ASS'Y·PANEL BOARD ASS'Y…22、23ICDATA......................................1Cデ-夕…24CHANGE INFORMATION·变更案内…………24HARD DISK DRIVE UNIT-......................八-ドデ1又夕ド与亻ブ1二y卜…25SPECIFICATIONS (VS8F-1)....................仕模VS8F-1)…26INSTALLING THE VS8F-1......................本体入)取)付付2(NS8F-1)…27PARTS LIST(VS8F-1)·/バ-y刂入卜WS8F-1)……27口口H口□☐C列Roland百¤石6高马高吕合治吕吕量合音品合吕吕白马回✉西回应Roland17059836Copyright c1996 by ROLAND CORPORATIONPrinted in Japan (AFAO)(CR)1
请登录后查看评论内容