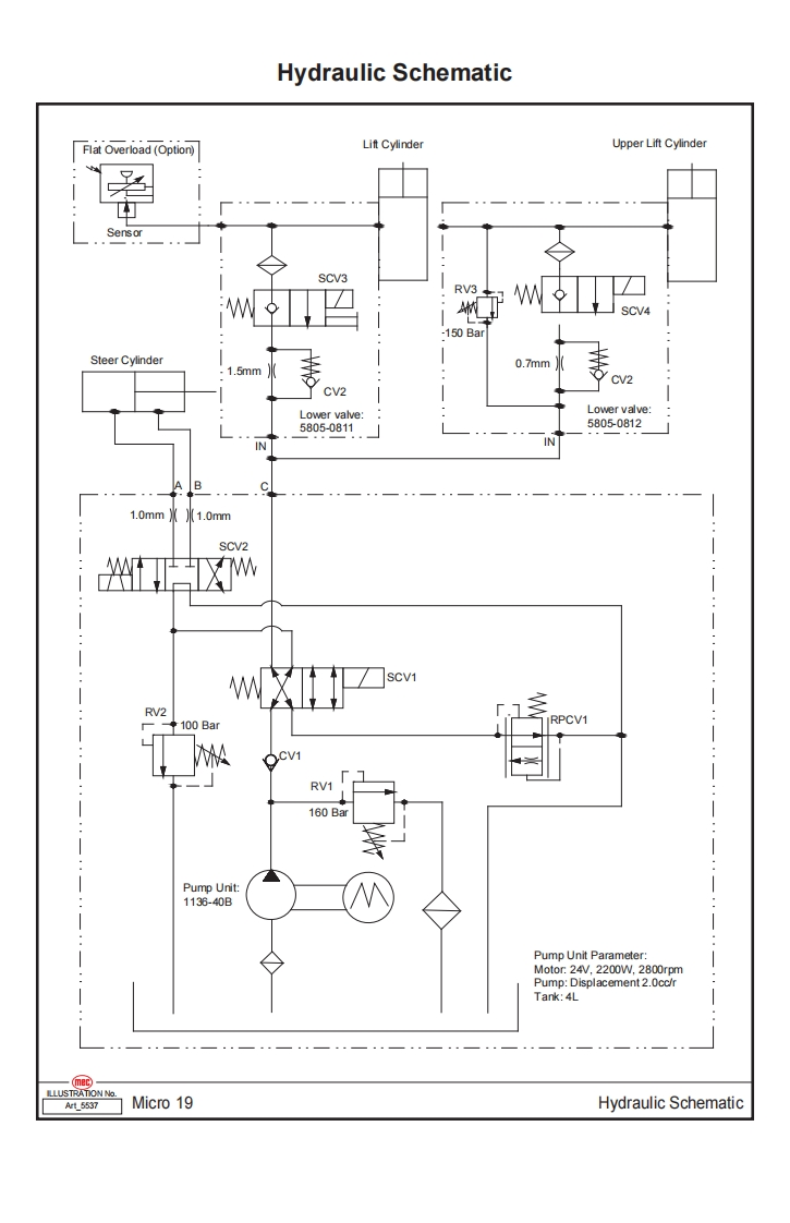
MEC升降车平台43894-SCH维修电气原理图手册找手册网昨天发布关注私信0.31MB3页029MEC升降车平台43894-SCH维修电气原理图手册此内容为付费资源,请付费后查看¥19¥21黄金会员免费钻石会员免费立即购买您当前未登录!建议登陆后购买,可保存购买订单付费资源 第1页 / 共3页 第2页 / 共3页 第3页 / 共3页 已完成全部阅读,共3页 THE END利勃海尔/Swift/Mec 文本预览 FO“间a可H00安0日马G西收正d过四国Electrical Schematic 查看更多 收起部分 喜欢就支持一下吧收藏
请登录后查看评论内容