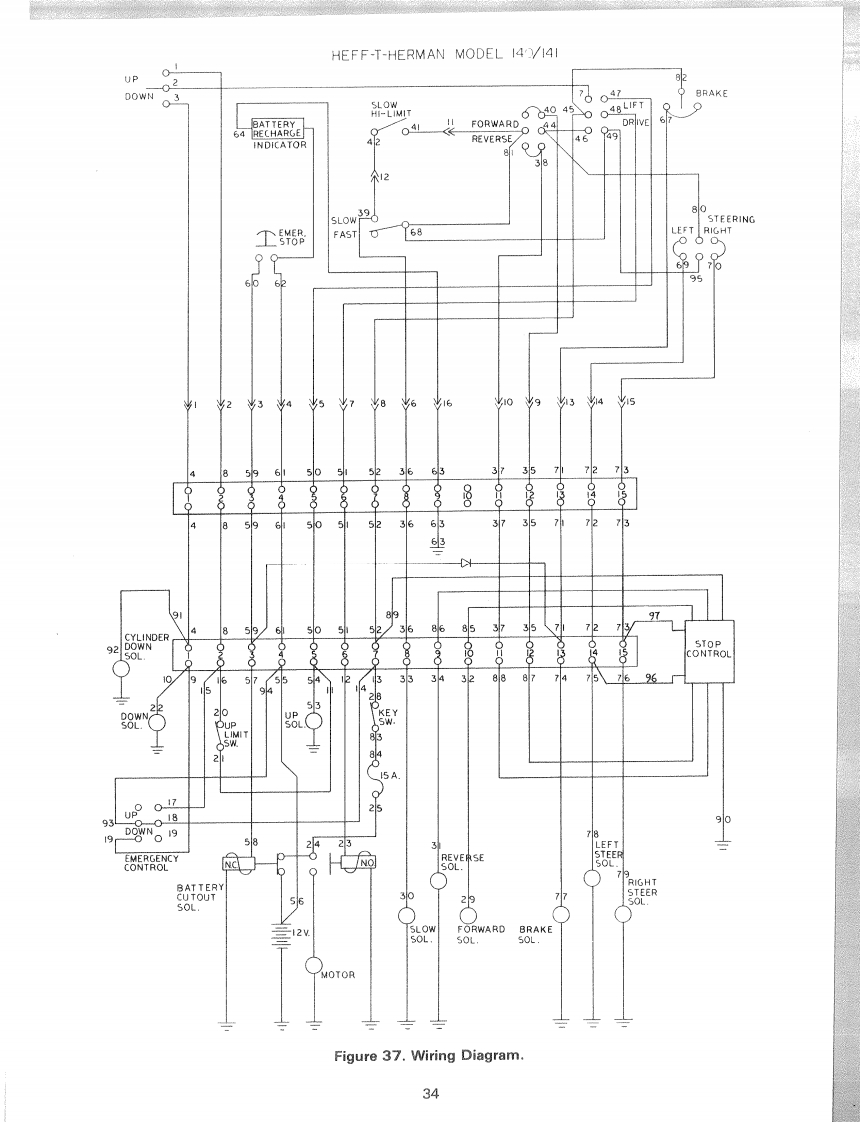
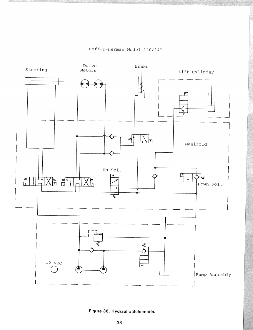
MEC升降车平台5858-SCH维修电气原理图手册找手册网昨天发布关注私信0.40MB3页026MEC升降车平台5858-SCH维修电气原理图手册此内容为付费资源,请付费后查看¥19¥21黄金会员免费钻石会员免费立即购买您当前未登录!建议登陆后购买,可保存购买订单付费资源 第1页 / 共3页 第2页 / 共3页 第3页 / 共3页 已完成全部阅读,共3页 THE END利勃海尔/Swift/Mec 文本预览 Heff-T-Herman Model 140/141DriveBrakeSteeringMotorsLift CylinderManifoldUp Sol.X怡X物Down Sol.12 VDC1Pump AssemblyFigure 36.Hydraulic Schematic.33 查看更多 收起部分 喜欢就支持一下吧收藏
请登录后查看评论内容