

第1页 / 共17页

第2页 / 共17页

第3页 / 共17页

第4页 / 共17页

第5页 / 共17页

第6页 / 共17页

第7页 / 共17页

第8页 / 共17页

第9页 / 共17页

第10页 / 共17页
试读已结束,还剩7页,您可下载完整版后进行离线阅读
THE END
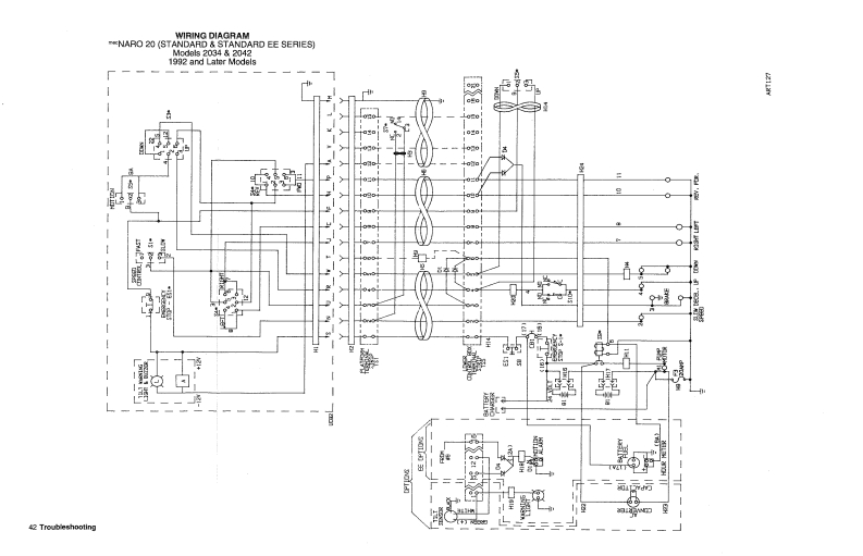
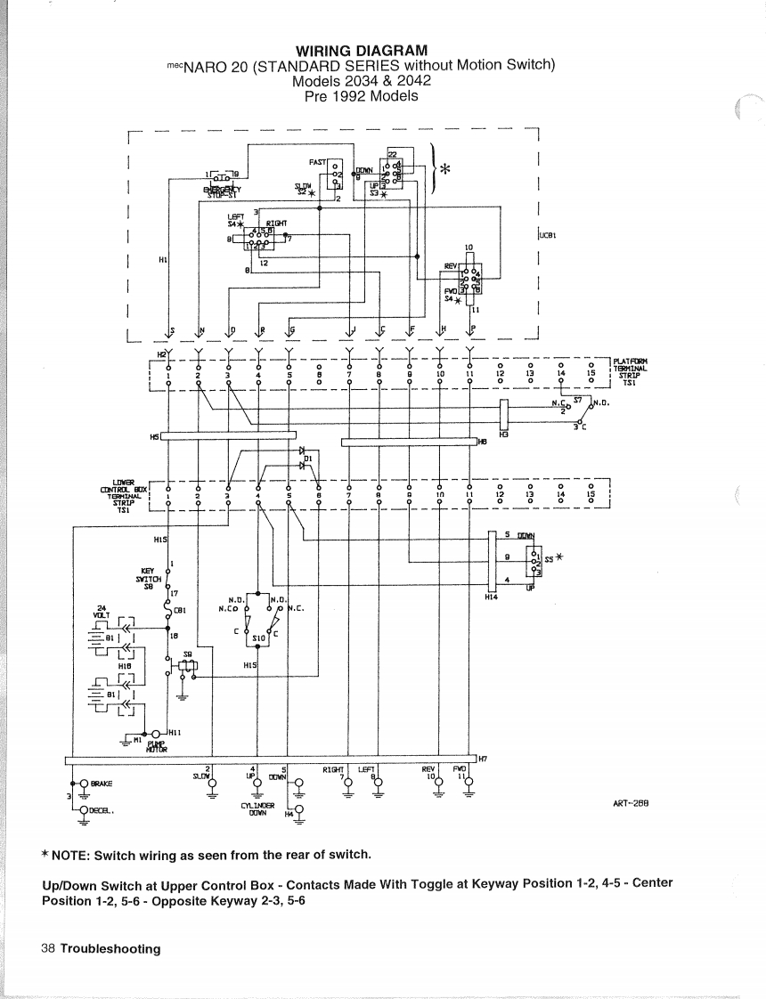
WIRING DIAGRAMmeeNARO 20(STANDARD SERIES without Motion Switch)Models2034&2042Pre 1992 ModelsFAST16o9型*2吕1294920"67.06599205H15KEY7N.兰N.Cod限an.ART-268NOTE:Switch wiring as seen from the rear of switch.Up/Down Switch at Upper Control Box-Contacts Made With Toggle at Keyway Position 1-2,4-5-CenterPosition 1-2,5-6-Opposite Keyway 2-3,5-638 Troubleshooting
请登录后查看评论内容