MEC升降车平台9241-SCH维修电气原理图手册

MEC升降车平台9241-SCH维修电气原理图手册-找手册网
MEC升降车平台9241-SCH维修电气原理图手册
此内容为付费资源,请付费后查看
1921
立即购买
您当前未登录!建议登陆后购买,可保存购买订单
付费资源

第1页 / 共20页

第2页 / 共20页

第3页 / 共20页

第4页 / 共20页

第5页 / 共20页

第6页 / 共20页

第7页 / 共20页

第8页 / 共20页

第9页 / 共20页

第10页 / 共20页
试读已结束,还剩10页,您可下载完整版后进行离线阅读
THE END
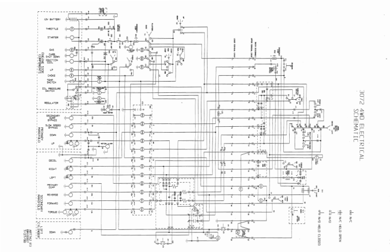
SCHEMATIC3072 4WD ELECTRICAL0的新盖怡sle
喜欢就支持一下吧
评论 抢沙发

请登录后发表评论

    请登录后查看评论内容