

第1页 / 共16页

第2页 / 共16页

第3页 / 共16页

第4页 / 共16页

第5页 / 共16页

第6页 / 共16页

第7页 / 共16页

第8页 / 共16页

第9页 / 共16页

第10页 / 共16页
试读已结束,还剩6页,您可下载完整版后进行离线阅读
THE END
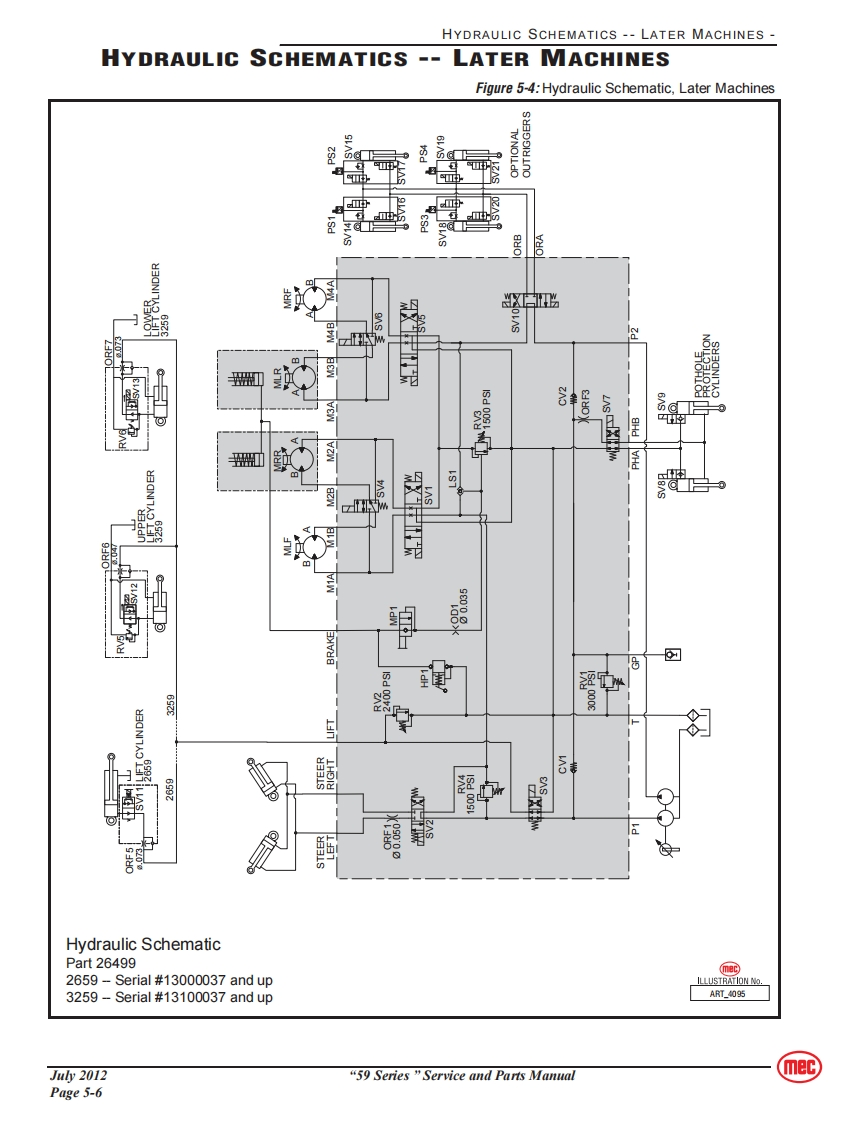
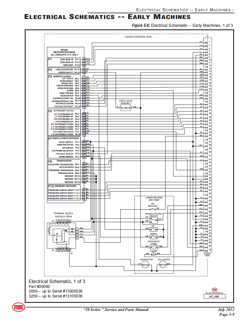
SERVICEmecSection 5SCHEMATICSCONTENTSPAGEHydraulic Schematics Table..............................5-2Hydraulic Schematics--Early Machines5-3Hydraulic Schematics--Later Machines5-6Electrical Schematics--Early Machines5-9Electrical Schematics --Later Machines5-13Controls........···5-16FIGURESPAGEHydraulic Schematic,Early Machines........................5-3Functions Manifold,Early Machine5-4Pothole Outrigger Valve Assemblies,Early Machines ..........5-5Hydraulic Schematic,Later Machines..............5-6Functions Manifold,Later Machine.............5-7Electrical Schematic-Early Machines,1 of 35-9Electrical Schematic-Early Machines,2 of 35-10Electrical Schematic-Early Machines,3 of 35-11Electrical Schematic-Later Machines,1 of 3.................5-13Electrical Schematic-Later Machines,2 of 3..................5-14Electrical Schematic-Later Machines,3 of 3................5-15Lower Controls...............5-16Upper Controls............5-16mec“59 Series”Service and Parts ManualJu2012Page 5-1
请登录后查看评论内容