MEC升降车平台95090-SCH-A92.5维修电气原理图手册

MEC升降车平台95090-SCH-A92.5维修电气原理图手册-找手册网
MEC升降车平台95090-SCH-A92.5维修电气原理图手册
此内容为付费资源,请付费后查看
1921
立即购买
您当前未登录!建议登陆后购买,可保存购买订单
付费资源

第1页 / 共5页

第2页 / 共5页

第3页 / 共5页

第4页 / 共5页

第5页 / 共5页
已完成全部阅读,共5
THE END
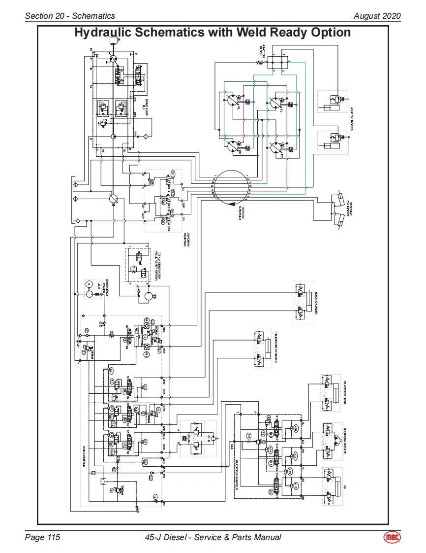
Section 20-SchematicsAugust 2020Hydraulic Schematics程5人MAN MANF CLD图Page 11445-J Diesel-Service Parts Manual(mec
喜欢就支持一下吧
评论 抢沙发

请登录后发表评论

    请登录后查看评论内容