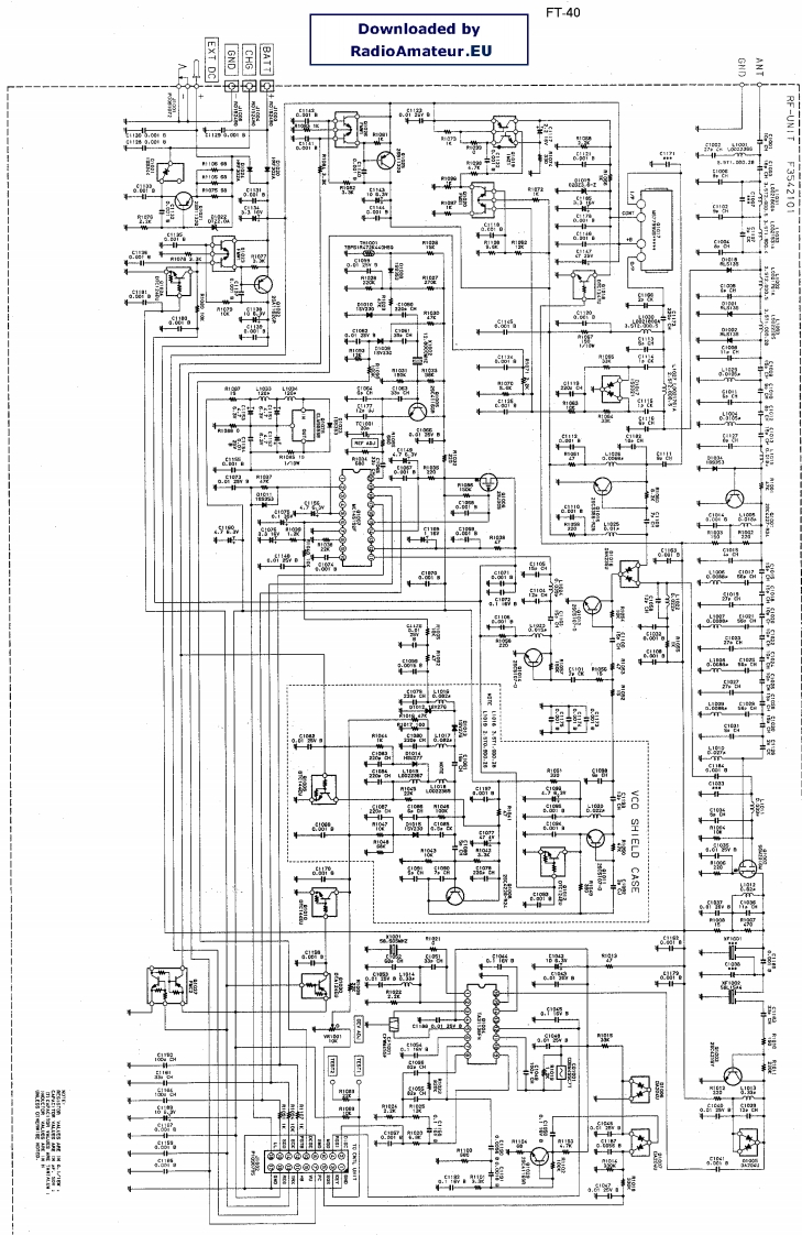
FT-40R_电器原理图找手册网23天前发布关注私信95.04KB1页033FT-40R_电器原理图此内容为付费资源,请付费后查看¥19¥21黄金会员免费钻石会员免费登录购买付费资源 第1页 / 共1页 已完成全部阅读,共1页 THE END八重洲 文本预览 FT-40Downloaded byRadioAmateur.EU回网@RF-UNIT醇F3542101举0器樱罗9产强SHIELD CASE莹国。报好翻,靶搜润器 查看更多 收起部分 喜欢就支持一下吧收藏
请登录后查看评论内容