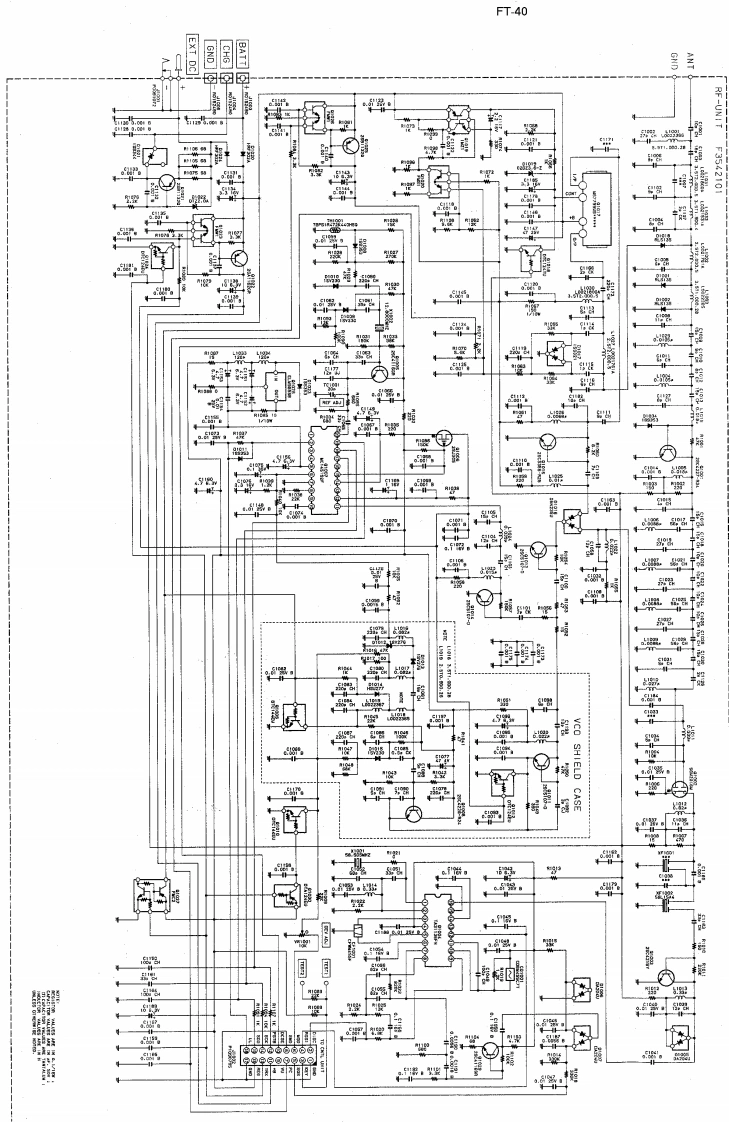
FT-40电器原理图找手册网23天前发布关注私信91.16KB1页030FT-40电器原理图此内容为付费资源,请付费后查看¥19¥21黄金会员免费钻石会员免费登录购买付费资源 第1页 / 共1页 已完成全部阅读,共1页 THE END八重洲 文本预览 FT-40回回回RF-UNITF3542101e0器螺罗9产思SHIELD CASE树摆国。报图器 查看更多 收起部分 喜欢就支持一下吧收藏
请登录后查看评论内容