FT-7B_电器原理图2

FT-7B_电器原理图2-找手册网
FT-7B_电器原理图2
此内容为付费资源,请付费后查看
1921
付费资源

第1页 / 共2页

第2页 / 共2页
已完成全部阅读,共2
THE END
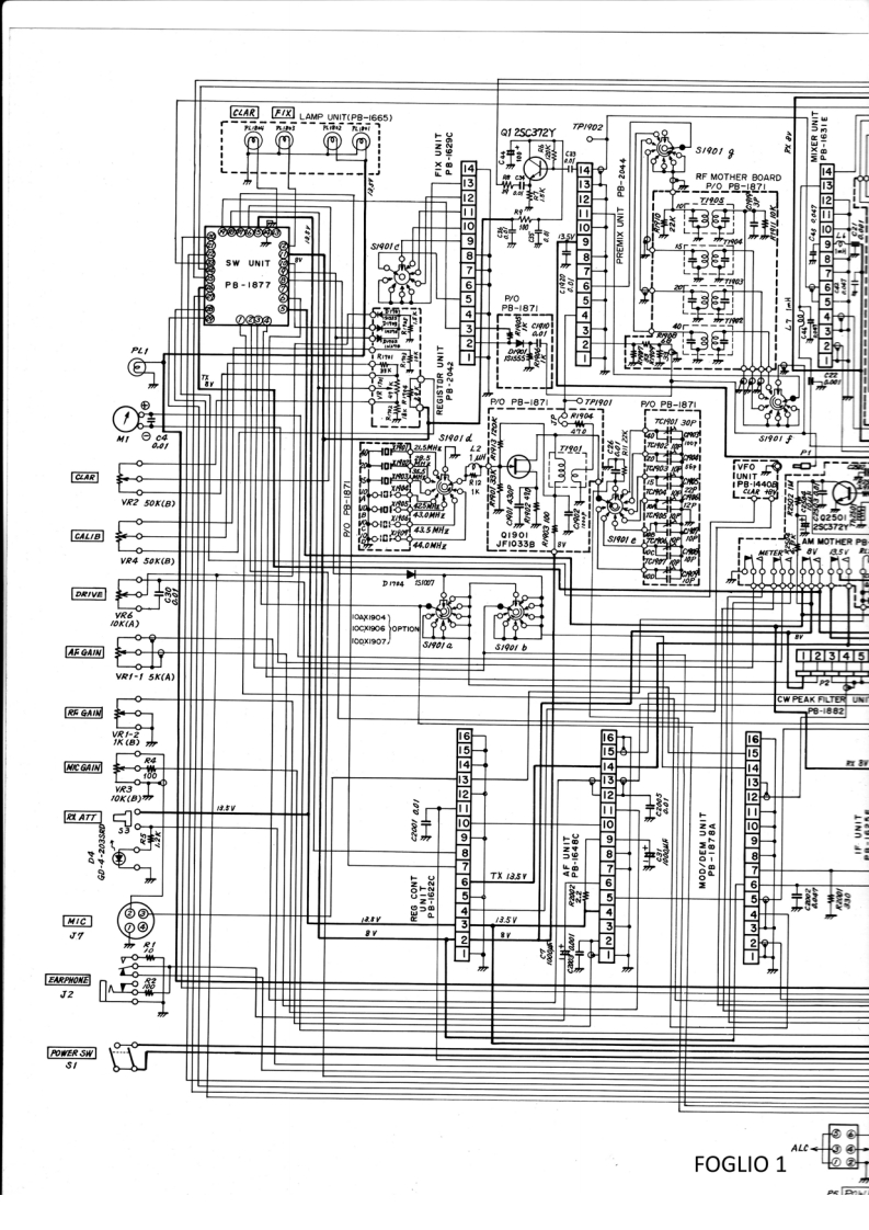
CLARF四LAMP UNIT(PB=655》P/902519019RF MOTHER BOARD四P/O8752UNIT187743210987654321PB-87列43210987654321./o型」到97654PLI32P-1879P8-18794300VFOCEAR1VR2 SOK(B)CAL/B双5豆01033BVR4 50K(BDRIVE0K19079/aAF GAIN59e/b2345CW PEAK FILTRGA8-887R ATT65432109876TX 135W6543210987664321甜JMIC5独5432654N210987684321EARPHONEJ2POWER SWFOGLIO 1
喜欢就支持一下吧
评论 抢沙发

请登录后发表评论

    请登录后查看评论内容