FT-7_FT-77S_FT707S_10W_PA_new_version_参考电器原理图_FR_2010

FT-7_FT-77S_FT707S_10W_PA_new_version_参考电器原理图_FR_2010-找手册网
FT-7_FT-77S_FT707S_10W_PA_new_version_参考电器原理图_FR_2010
此内容为付费资源,请付费后查看
1921
付费资源

第1页 / 共2页

第2页 / 共2页
已完成全部阅读,共2
THE END
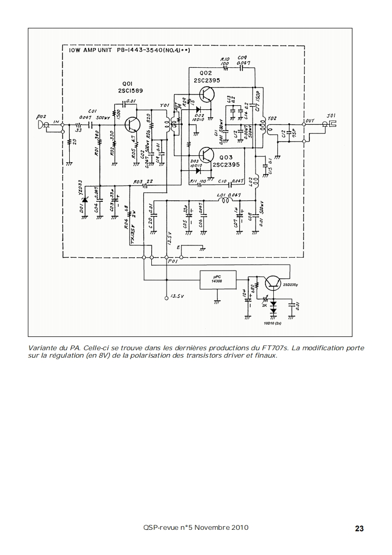
QRPSchema du PA 10W des FT-7,77s et 707sCes transceivers sont tres prises des amateurssheet.Mais Heureusement pour nous ils ont lede QRP et a juste titre Mais le schema estcelebre 2SC1969 comme correspondance.Cesindisponible sur Internet...Le voici a la pagetransistors sont indestructibles dans un usagesuivante.II existe en deux versions:la secondenormal mais des OM poussent le reglageest celle d'une version ulterieure du FT-707s.d'ALC a fond pour sortir le maximum deCe PA est particulierement lineaire et de bonnepuissance (-18W)et le refroidissement n'estqualite.C'est une reussite et c'est pour cettepas suffisant,surtout dans I'habitacle d'uneraison qu'il s'est retrouve dans plusieursvoiture en ete.Et comme I'ALC sert aussi a lagenerations de TX.protection du PA,on se retrouve avec desll faut signaler que les transistors du PA sonttransistors fondus.…quasiment introuvables,de meme que leur dataI0W AMP UNIT PB-1443-3540(NO.4J..)002Q012SC23952sC1589lpaet3corT02了01De-INaoiy scexpOUT宁0032SC2395r03c00☑s8水而PA Yaesu 10W.Le schema le plus repandu.Se trouve dans les FT-7,77s et 707s22QSP-revue n5 Novembre 2010
喜欢就支持一下吧
评论 抢沙发

请登录后发表评论

    请登录后查看评论内容