Yorkville-100KW-Power-Wedge-Service-Manual维修服务手册说明书含电器原理图

Yorkville-100KW-Power-Wedge-Service-Manual维修服务手册说明书含电器原理图-找手册网
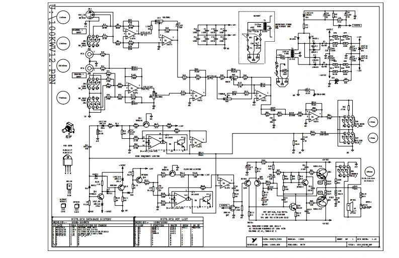
Yorkville-100KW-Power-Wedge-Service-Manual维修服务手册说明书含电器原理图
此内容为付费资源,请付费后查看
1921
立即购买
您当前未登录!建议登陆后购买,可保存购买订单
付费资源

第1页 / 共7页

第2页 / 共7页

第3页 / 共7页

第4页 / 共7页

第5页 / 共7页

第6页 / 共7页

第7页 / 共7页
已完成全部阅读,共7
THE END
SERVICE MANUALMANUEL DE SERVICE0WEB ACCESS:http://www.yorkville.comWORLD HEADQUARTERSCANADAUSAYorkville SoundYorkville Sound Inc.550 Granbe Court4625 Witmer Industrld EstatPickering.OntaroNagara Fall,New YorkLIW-3Y8 CANADA14305U5A100KWVCtg305837-8481Volce:(T1间2972920FaC30837-8746FaC71间297-3589POWER WEDGETyPs:1wYorkvilleQuality and Innovation Since 1963Yorkville
喜欢就支持一下吧
评论 抢沙发

请登录后发表评论

    请登录后查看评论内容