Yorkville-100W-Mixer-Amp-Service-Manual维修服务手册说明书含电器原理图

Yorkville-100W-Mixer-Amp-Service-Manual维修服务手册说明书含电器原理图-找手册网
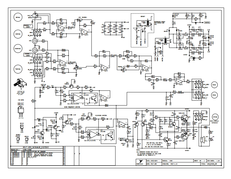
Yorkville-100W-Mixer-Amp-Service-Manual维修服务手册说明书含电器原理图
此内容为付费资源,请付费后查看
1921
立即购买
您当前未登录!建议登陆后购买,可保存购买订单
付费资源

第1页 / 共5页

第2页 / 共5页

第3页 / 共5页

第4页 / 共5页

第5页 / 共5页
已完成全部阅读,共5
THE END
100WYorkvllleMIXER AMPSERVICE MANUALMANUEL DE SERVICEWEB ACCE西加p://www.yorkville.oomWORLD HEADQUARTERSCANADAUSA.Yorkville SoundYorkville Sound Inc.550G2nta●ou14825 Witmor Industid EstatePickoring.OntatoNagsm Fall,Now YorkL1W-3Y8 CANADA14305UsABefore operaing tis unt,pleue read tha manualthoroughl and retaint or mfemncs.Veuler lrecemanl aertiverent avant du arappared le concerver pour conutationa uNrieureaVCtc305837.8481Volce:(71旬2972920FC305837.8746FC712973589YorkvilleQuality and Innovation Since 1963
喜欢就支持一下吧
评论 抢沙发

请登录后发表评论

    请登录后查看评论内容