Yorkville-AP812–AP818-Powered-Mixer-Service-Manual维修服务手册说明书含电器原理图

Yorkville-AP812--AP818-Powered-Mixer-Service-Manual维修服务手册说明书含电器原理图-找手册网
Yorkville-AP812–AP818-Powered-Mixer-Service-Manual维修服务手册说明书含电器原理图
此内容为付费资源,请付费后查看
1921
立即购买
您当前未登录!建议登陆后购买,可保存购买订单
付费资源

第1页 / 共8页

第2页 / 共8页

第3页 / 共8页

第4页 / 共8页

第5页 / 共8页

第6页 / 共8页

第7页 / 共8页

第8页 / 共8页
已完成全部阅读,共8
THE END
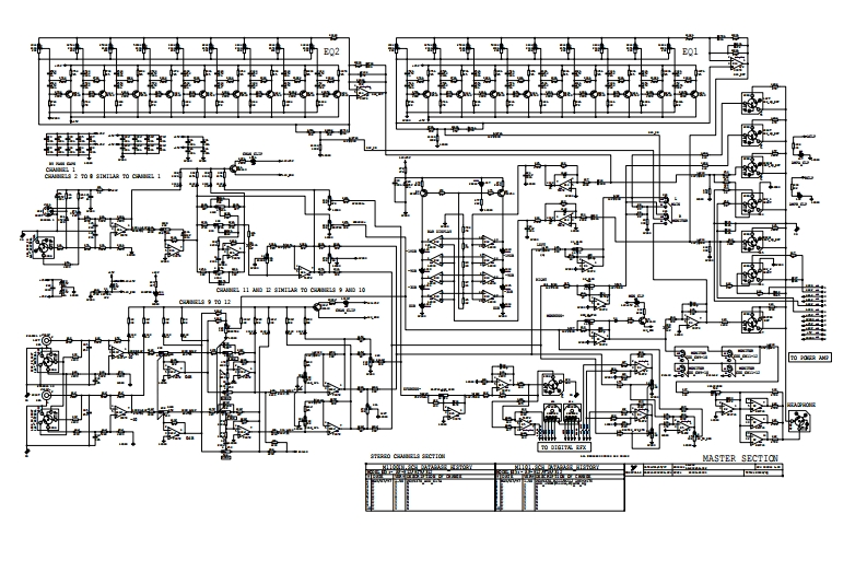
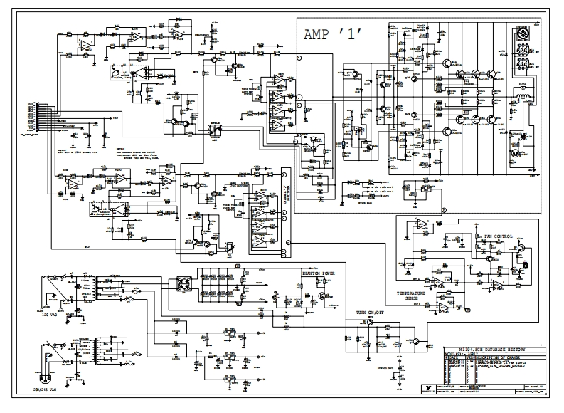
SERVICE MANUAL☒AP800 WATTBD多5T证0M成E团1.Parts ListkWEB ACCESS:http://www.yorkville com2.Block Disgram年海海海海海WORLD HEADOUARTERS-3.tBea出ltCANADAUS.A海海终海海,面10oh数e·1100hech日善善共海海Yorkville SoundYorkville Sound Inc.4550Gnla●ou4625 Wtmor Industial Estate海海年装4品香O司Pidcerng.OntarioNbgsa Fals,Now York年mm101 chematicL1W-3Y8 CANADA14305USAVolce(g0983784816ar(71同29729205.on-tier Power-AmpFc(9098378746Fc71间297G589m104cYorkvilleQuality and Innovation Since 1963t通mtaa5a
喜欢就支持一下吧
评论 抢沙发

请登录后发表评论

    请登录后查看评论内容