Yorkville-Bass-Master-100-Service-Manual维修服务手册说明书含电器原理图

Yorkville-Bass-Master-100-Service-Manual维修服务手册说明书含电器原理图-找手册网
Yorkville-Bass-Master-100-Service-Manual维修服务手册说明书含电器原理图
此内容为付费资源,请付费后查看
1921
立即购买
您当前未登录!建议登陆后购买,可保存购买订单
付费资源

第1页 / 共4页

第2页 / 共4页

第3页 / 共4页

第4页 / 共4页
已完成全部阅读,共4
THE END
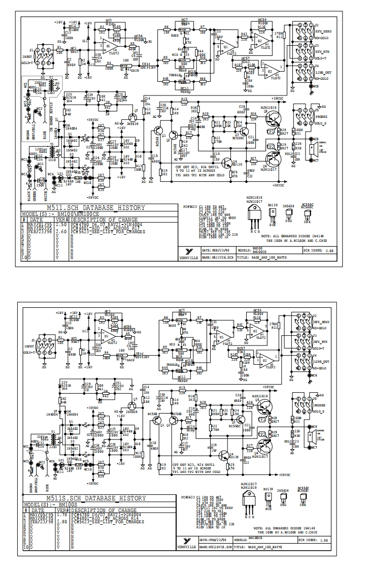
BASS MASTER100YorkvilleSERVICEMANUALWORLD HEADQUARTERSCANADAUSA●2p009Yorkville SoundYorkville Sound Inc.550 Granite Court4625 Wtmer Industlal EstaePickerng,OntarioNagara Falls,New YorkL1W-3Y8 CANADA14305U5AVolce(90583784816lccT1间297.20Fac(9058378746Fac71间297.389ntm00p随vt0YorkvilleQuality and Innovation Since 1963
喜欢就支持一下吧
评论 抢沙发

请登录后发表评论

    请登录后查看评论内容