Yorkville-EP378-Elite-PA-Processor-Service-Manual维修服务手册说明书含电器原理图

Yorkville-EP378-Elite-PA-Processor-Service-Manual维修服务手册说明书含电器原理图-找手册网
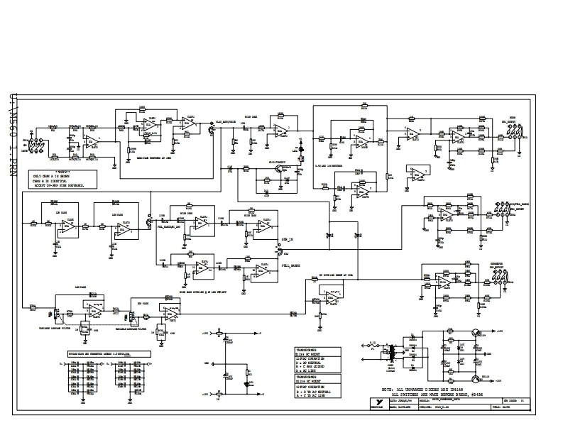
Yorkville-EP378-Elite-PA-Processor-Service-Manual维修服务手册说明书含电器原理图
此内容为付费资源,请付费后查看
1921
立即购买
您当前未登录!建议登陆后购买,可保存购买订单
付费资源

第1页 / 共4页

第2页 / 共4页

第3页 / 共4页

第4页 / 共4页
已完成全部阅读,共4
THE END
☒IiteSERVICE MANUALeliteyeliteP37四WORLD HEADQUARTERS区6teCANADAUSAYorkville SoundYorkville Sound Inc.elite550 Gmanite Cout4625 Wtmor Industril EstateFidorng.OntariogaF业.Now YorkLIW-3Y8 CANADA14305U5AVolc(g058378481Vacg716间297.2920Fac(908378746FC71间297.3589EP378YorkvillePROFESSIONAL BALANCED SOUND PROCESSING SYSTEMbn4anks700d0y0四Quality and Innovation Since 1963
喜欢就支持一下吧
评论 抢沙发

请登录后发表评论

    请登录后查看评论内容