Yorkville-EP600-Elite-PA-Processor-Service-Manual维修服务手册说明书含电器原理图

Yorkville-EP600-Elite-PA-Processor-Service-Manual维修服务手册说明书含电器原理图-找手册网
Yorkville-EP600-Elite-PA-Processor-Service-Manual维修服务手册说明书含电器原理图
此内容为付费资源,请付费后查看
1921
立即购买
您当前未登录!建议登陆后购买,可保存购买订单
付费资源

第1页 / 共4页

第2页 / 共4页

第3页 / 共4页

第4页 / 共4页
已完成全部阅读,共4
THE END
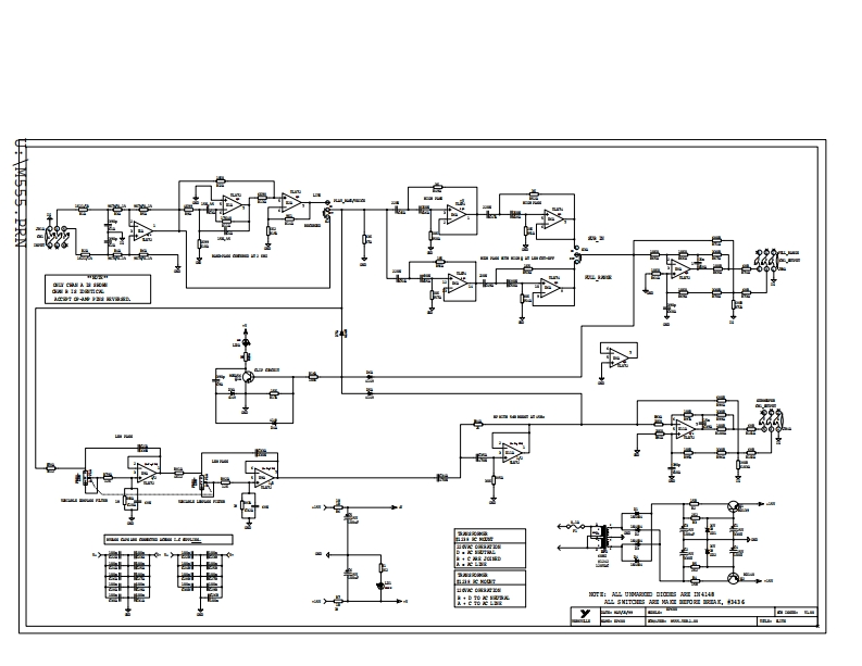
园liteSERVICE MANUALMANUEL de SERVICENEB ACCESS:地p/∥雷oawD38om比emWORLD HEADQUARTERS=上e2型CANADAUSA北eP00Yorkville SoundYorkville Sound Inc.550 Granite Cout4625 mer Indusr包EaPickerng,OntarioNagara Fall,New York上L1W-3Y8 CANADA14305U5A6lag(905837-8481V0tcT1间297-2920FaC(9058378746Fac71旬297.36559YorkvllleEP6▣▣Quality and Innovation Since 1963PROFESSIONAL BALANCED SOUND PROCESSING SYSTEMPrirted n Canadah45n00-t00d26000
喜欢就支持一下吧
评论 抢沙发

请登录后发表评论

    请登录后查看评论内容