Yorkville-ES200P-Service-Manual维修服务手册说明书含电器原理图

Yorkville-ES200P-Service-Manual维修服务手册说明书含电器原理图-找手册网
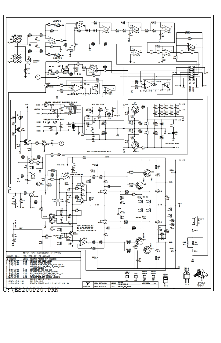
Yorkville-ES200P-Service-Manual维修服务手册说明书含电器原理图
此内容为付费资源,请付费后查看
1921
立即购买
您当前未登录!建议登陆后购买,可保存购买订单
付费资源

第1页 / 共4页

第2页 / 共4页

第3页 / 共4页

第4页 / 共4页
已完成全部阅读,共4
THE END
YorkvllleSERVICE MANUALES200PWEB ACCESS:http://www.yorkviDle.comWORLD HEADQUARTERSCANADAUSAYorkville SoundYorkville Sound Inc.550 Grante Court4625 Womer Industlal EstatePickering.OntaroNagara Falls,New YorkL1张3Y8 CANADA14305U5AVatg30837.8481Volce:(71间2972920FaC30837.8746FaCT1间297-3589◇YorkvllleQuality and Innovation Since 1963
喜欢就支持一下吧
评论 抢沙发

请登录后发表评论

    请登录后查看评论内容