

第1页 / 共25页

第2页 / 共25页

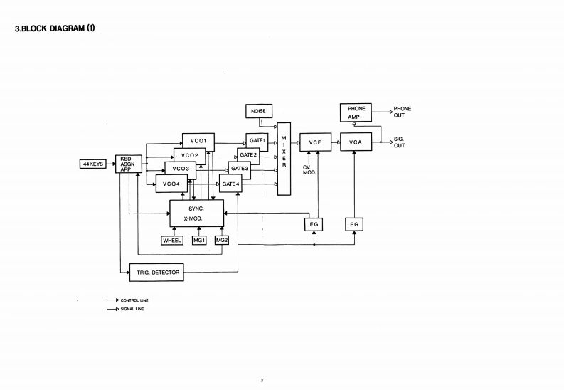
第3页 / 共25页

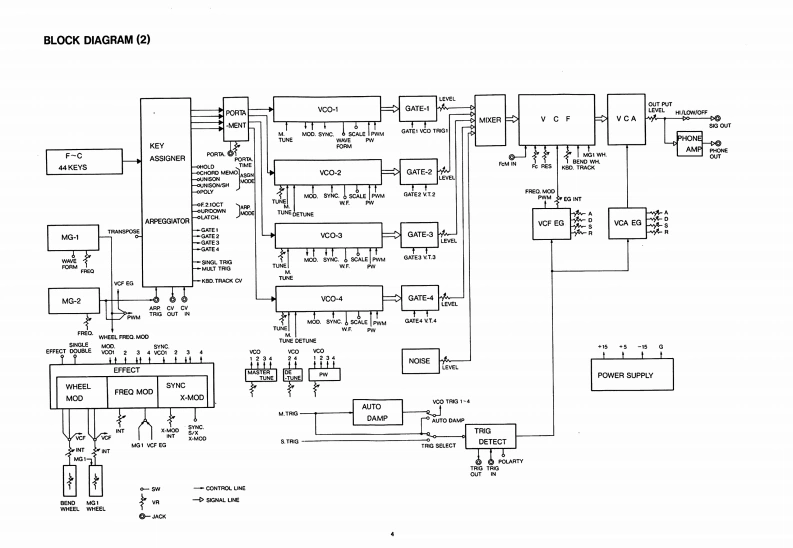
第4页 / 共25页

第5页 / 共25页

第6页 / 共25页

第7页 / 共25页

第8页 / 共25页

第9页 / 共25页

第10页 / 共25页
试读已结束,还剩15页,您可下载完整版后进行离线阅读
THE END
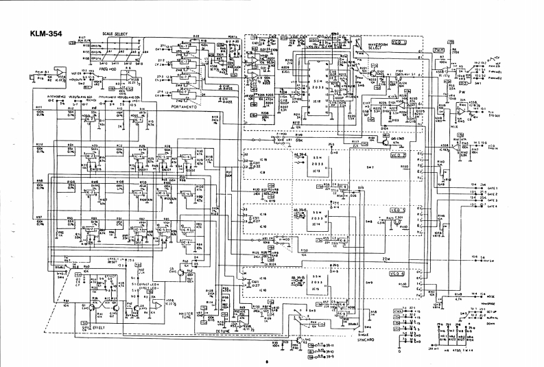
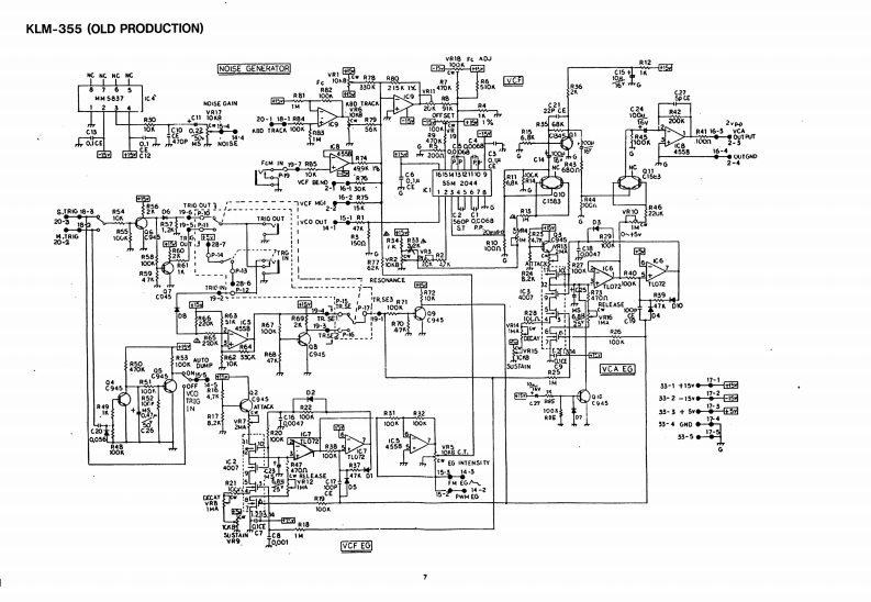
KORGJWB0W0084VC▣SYNTHESIZERSERVICE MANUALMONO/POLYCONTENTS1.SPECIFICATIONS...................12.STRUCTURAL DIAGRAM.···23.BLOCK DIAGRAM..................34.CIRCUIT DIAGRAM...·55.PCB0ARD..136.INTERCHANGE LIST OF CONNECTORTERMINAL NUMBER187.SEMI-FIXED RESISTORS DIAGRAM ..198.ADJUSTMENT PROCEDURE209.PARTS LIST23KEIO ELECTRONIC LABORATORY CORPORATIONTOKYOJAPAN
请登录后查看评论内容