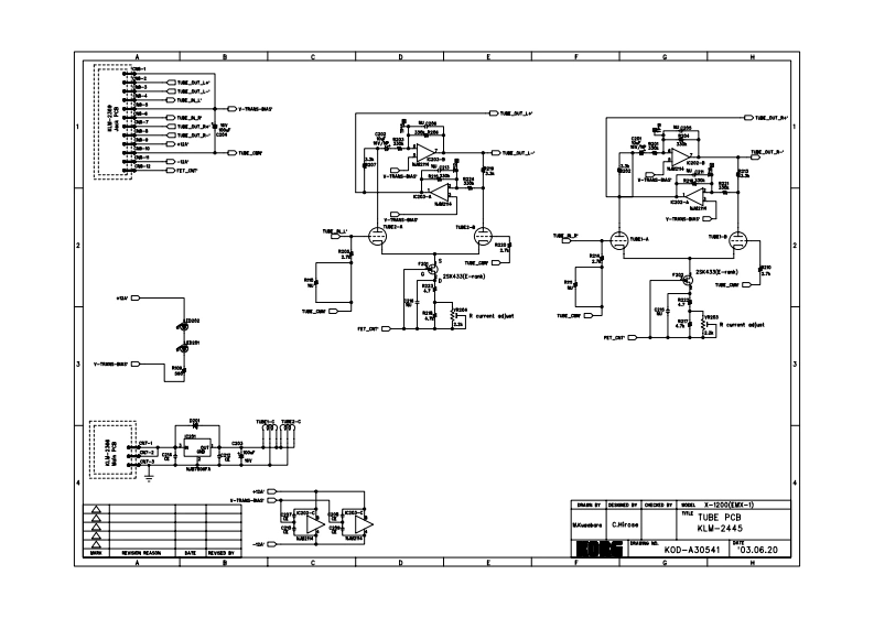
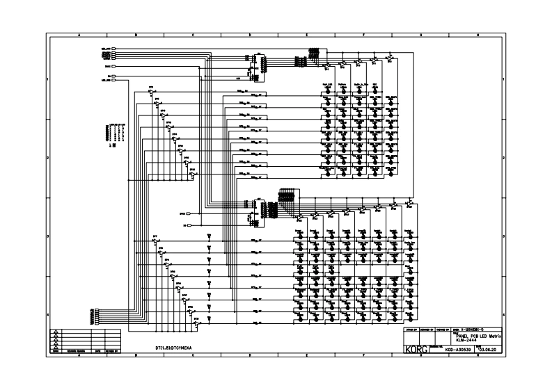
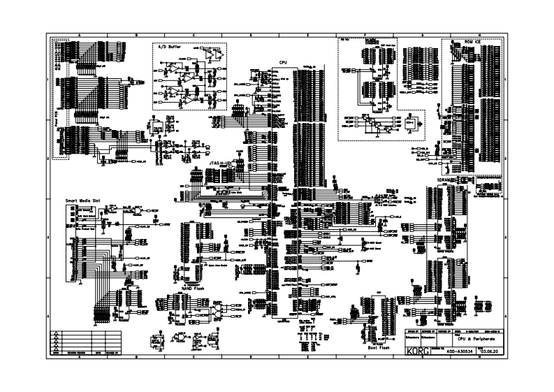
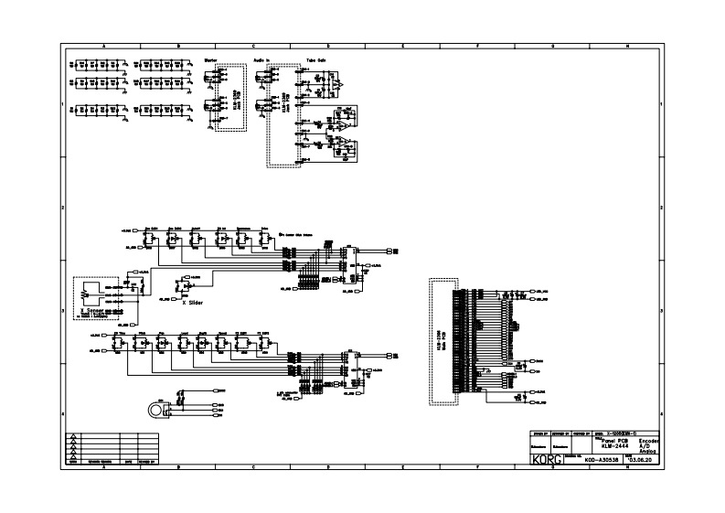
korg_emx1-维修手册电气原理图找手册网23天前发布关注私信4MB24页035korg_emx1-维修手册电气原理图此内容为付费资源,请付费后查看¥19¥21黄金会员免费钻石会员免费登录购买付费资源 第1页 / 共24页 第2页 / 共24页 第3页 / 共24页 第4页 / 共24页 第5页 / 共24页 第6页 / 共24页 第7页 / 共24页 第8页 / 共24页 第9页 / 共24页 第10页 / 共24页 试读已结束,还剩14页,您可下载完整版后进行离线阅读 THE ENDKorg/Roland 文本预览 Service ManualEMXICONTENTSCircuit Diagram:Page 2-10Block Diagram:Page 11Structural Diagram:Page 12Test Mode:Page 13-19Calibration:Page 20-21Parts List:Page:22-244th EditionIssued date:July 15,2004Issued by:KORG INC. 查看更多 收起部分 喜欢就支持一下吧收藏
请登录后查看评论内容