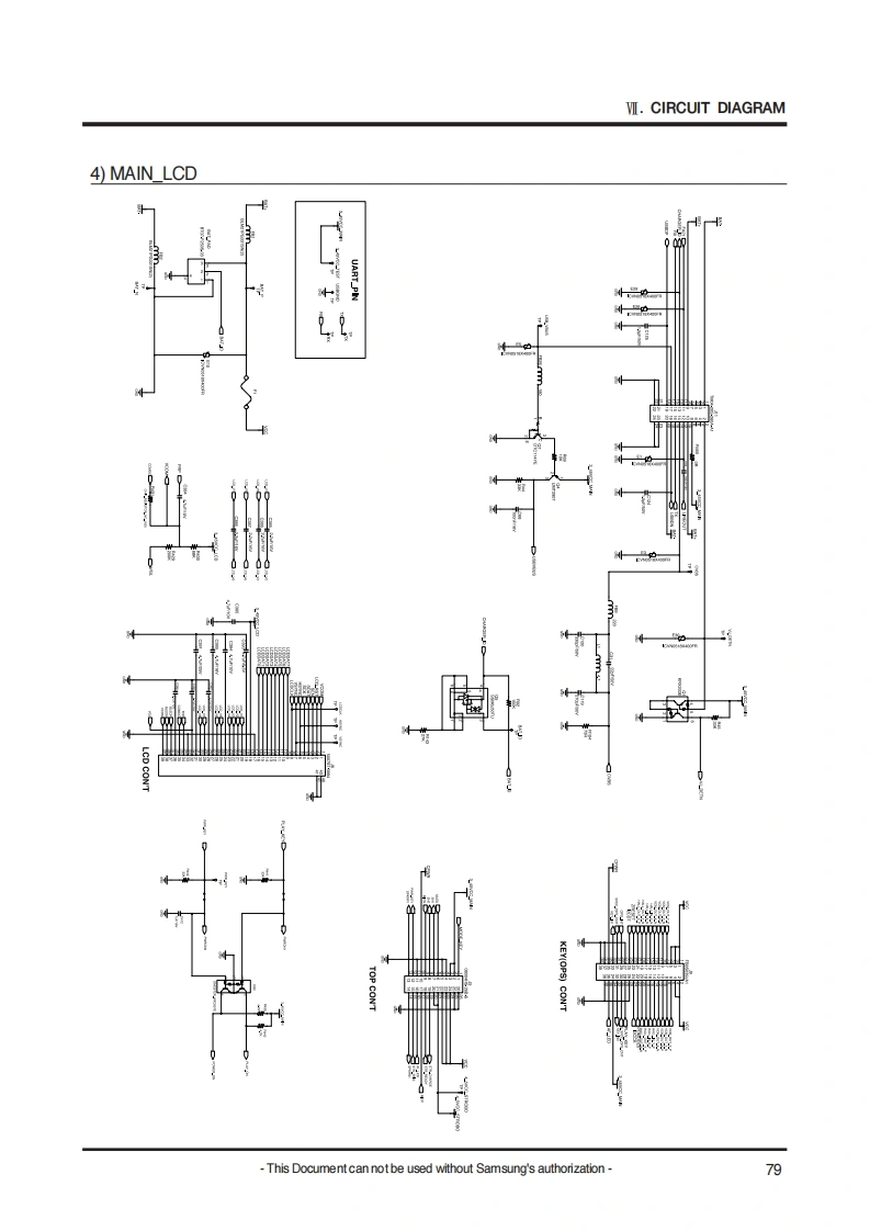
三星L100数码相机维修手册找手册网21小时前发布关注私信3.36MB9页036三星L100数码相机维修手册此内容为付费资源,请付费后查看¥19¥21黄金会员免费钻石会员免费立即购买您当前未登录!建议登陆后购买,可保存购买订单付费资源 第1页 / 共9页 第2页 / 共9页 第3页 / 共9页 第4页 / 共9页 第5页 / 共9页 第6页 / 共9页 第7页 / 共9页 第8页 / 共9页 第9页 / 共9页 已完成全部阅读,共9页 THE ENDSamsung 文本预览 I.CIRCLIIT四XCGEAAM1)MAIN·10M coZR36480BGCF01076This Document can not be used without Samsung's authorization- 查看更多 收起部分 喜欢就支持一下吧收藏
请登录后查看评论内容