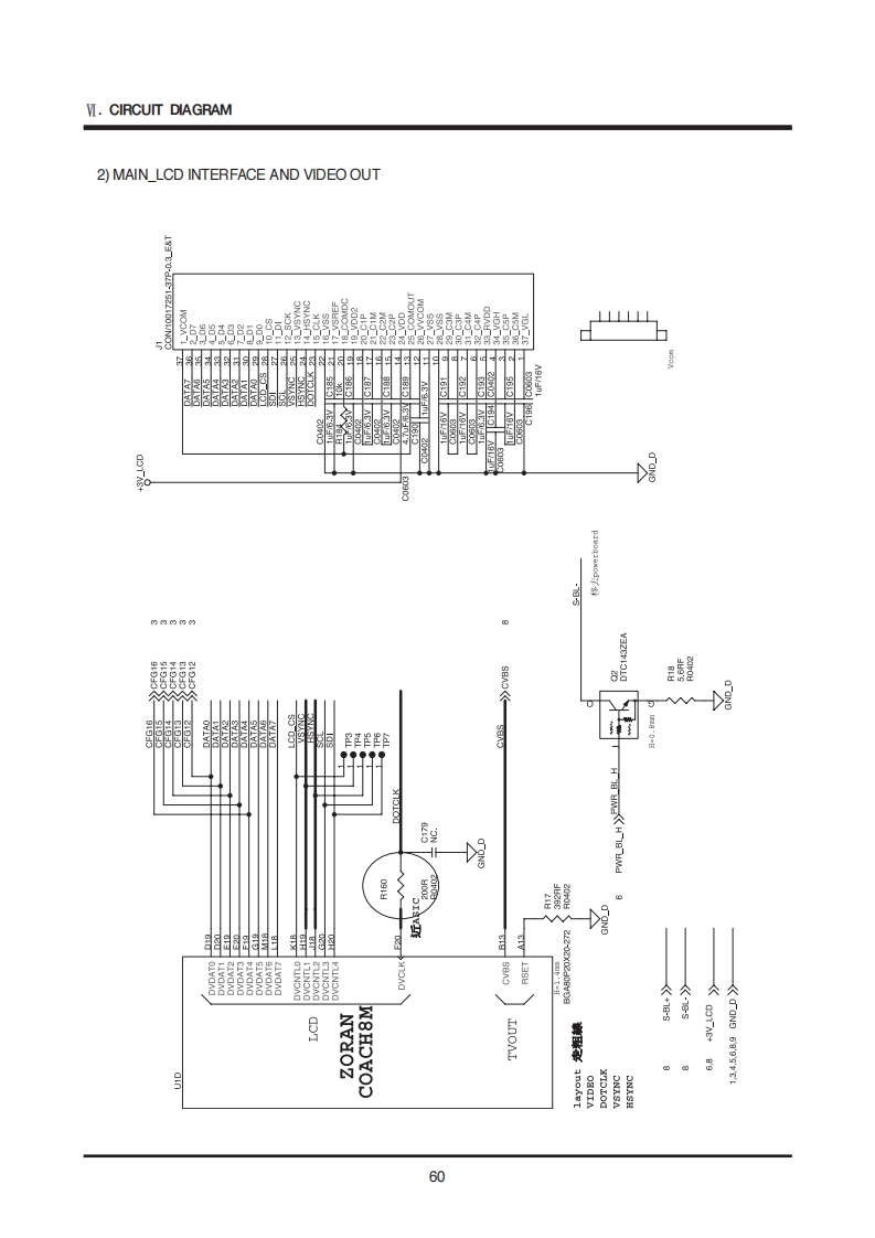
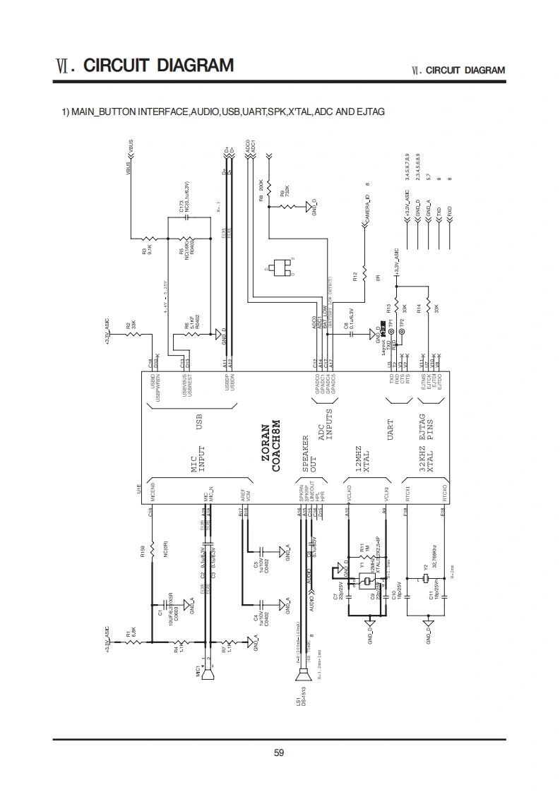
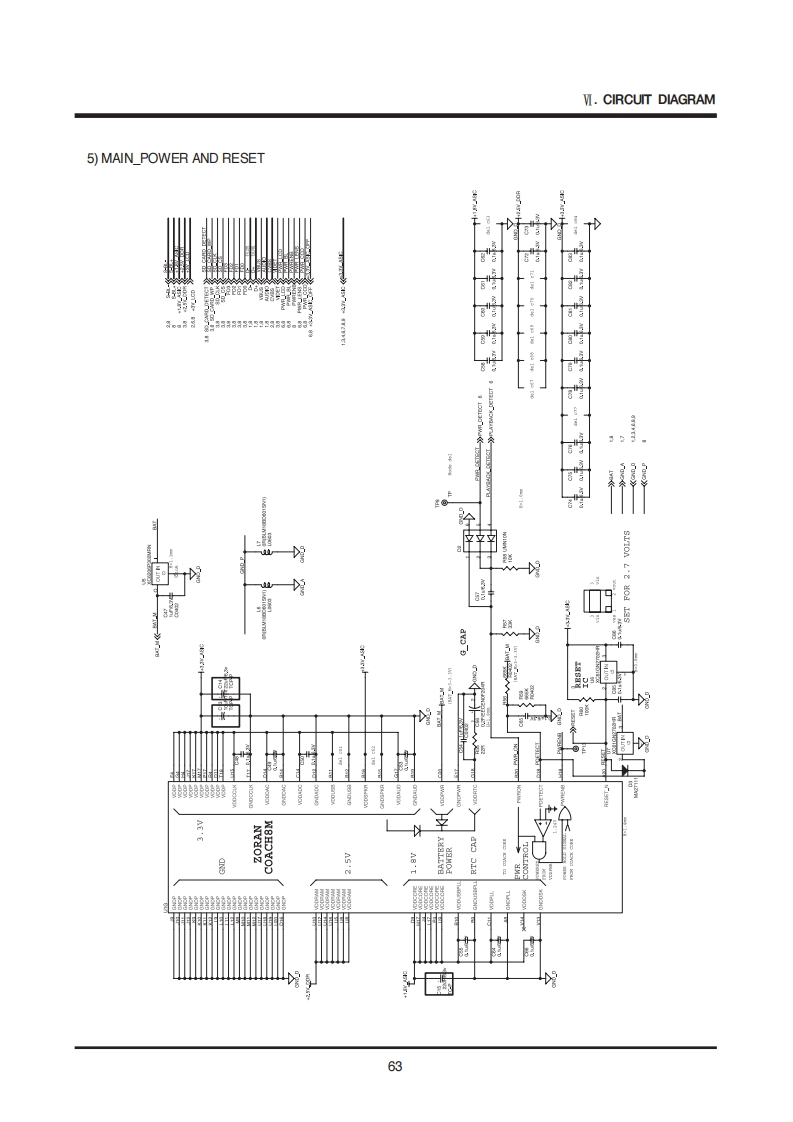
三星L70数码相机维修手册找手册网21小时前发布关注私信4.07MB17页021三星L70数码相机维修手册此内容为付费资源,请付费后查看¥19¥21黄金会员免费钻石会员免费立即购买您当前未登录!建议登陆后购买,可保存购买订单付费资源 第1页 / 共17页 第2页 / 共17页 第3页 / 共17页 第4页 / 共17页 第5页 / 共17页 第6页 / 共17页 第7页 / 共17页 第8页 / 共17页 第9页 / 共17页 第10页 / 共17页 试读已结束,还剩7页,您可下载完整版后进行离线阅读 THE ENDSamsung 文本预览 V.PATTERN DIAGRAM1.PARTS ARRANGEMENT FOR EACH PCB ASS'Y1)MAIN_TOP2C158F41○R131T1591R1251○r15926▣✉88朋眼日C15刀四U14910G192唇E品Q36C19466ZRI6D-0C203JL262033m國C204U92运围C90C153C12U15C152C109C108U2U8器Q20L7G149L14203c817C147ILCI54 查看更多 收起部分 喜欢就支持一下吧收藏
请登录后查看评论内容