Yorkville-MP-6t-Powered-Mixer-Service-Manual维修服务手册说明书含电器原理图

Yorkville-MP-6t-Powered-Mixer-Service-Manual维修服务手册说明书含电器原理图-找手册网
Yorkville-MP-6t-Powered-Mixer-Service-Manual维修服务手册说明书含电器原理图
此内容为付费资源,请付费后查看
1921
立即购买
您当前未登录!建议登陆后购买,可保存购买订单
付费资源

第1页 / 共6页

第2页 / 共6页

第3页 / 共6页

第4页 / 共6页

第5页 / 共6页

第6页 / 共6页
已完成全部阅读,共6
THE END
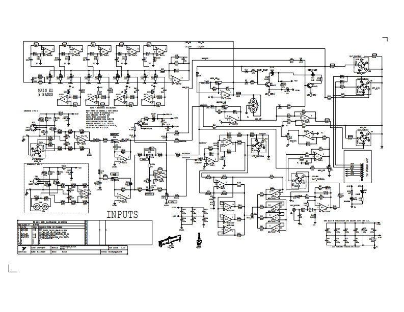
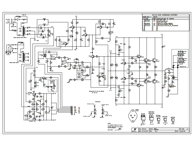
SERVICE MANUALMP6Yorkville325 Watt 6 Channel Powered MixerWEB ACCESS:http://www.yorkville.comWORLD HEADQUARTERSCANADAUSAiiiiiiYorkville SoundYorkville Sound Inc.550 Granite Court4625 Mtmer Industr过EaieRckering.OntarioNogara Falls,New YorkL1W-3YB CANADA14305U5A6lce(9058378481V0ccT1间297-2920FaC(90837-8746FCT1间297.3689YorkvilleQuality and Innovation Since 1963
喜欢就支持一下吧
评论 抢沙发

请登录后发表评论

    请登录后查看评论内容