

第1页 / 共24页

第2页 / 共24页

第3页 / 共24页

第4页 / 共24页

第5页 / 共24页

第6页 / 共24页

第7页 / 共24页

第8页 / 共24页

第9页 / 共24页

第10页 / 共24页
试读已结束,还剩14页,您可下载完整版后进行离线阅读
THE END
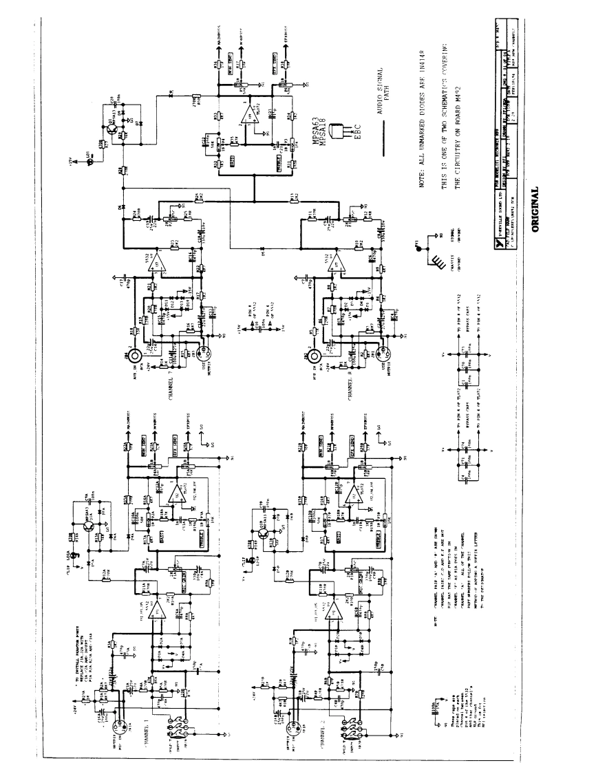
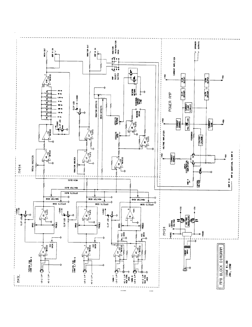
INCZINCB.0.N HEADPHBO22.22e11/4at36d8ga1n·而1DD S-WIRE.223+/-3nentinput to MAIN SEND,········at patch bay,g···range.less tRES&FREST&W RESTnent range,··22.5N REST&RREST&R4WT&R2214WREST&R8./4WRES1./4W REST&RT&F1:hanne】ma×power+/-1.5dB,1/4W RESREST&R1Ohms.1/4W1/4W REST&R1…Ohms,max100V TUB CAP UF125NP0270Jma×1/4W RES T&RTUB CAF UF125SL101JYORK4powerpower1%THD2/100V TUB CAP UP250SL151J1nto40hms.····power,·····YSF*88888388888888w888888888《A+B)145/100VOV TUB CAP 56150102WattCAP03028108100 Watt:63V AXIAL250MADIODE21200VMP868n924K7250K有BASS1868nc33220p253K382623K36830922680AR3则12Rqa7322928Q>"tlMPSAOSBDU67D22新C3e/R33eR1803110pSERVICE MANUAL9322927R35包478232C29h137
请登录后查看评论内容