

第1页 / 共17页

第2页 / 共17页

第3页 / 共17页

第4页 / 共17页

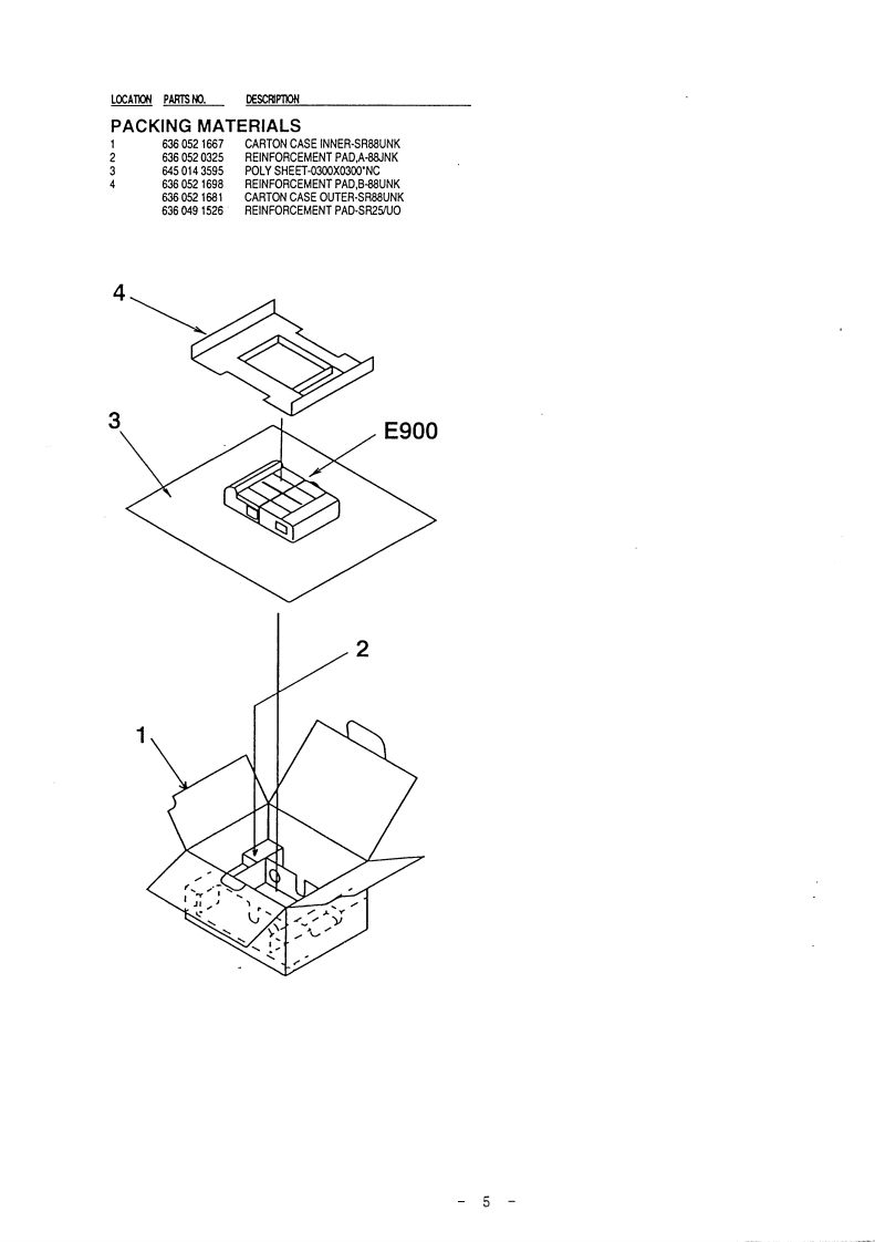
第5页 / 共17页

第6页 / 共17页

第7页 / 共17页

第8页 / 共17页

第9页 / 共17页

第10页 / 共17页
试读已结束,还剩7页,您可下载完整版后进行离线阅读
THE END
PARTS LISTDIGITAL STILL CAMERAE900(U),E900(EN),E900(EP)Not supply as replacement parts that marked as N.S.P.SAFTY NOTICEWhen you need to replace parts that should be use listed parts in Exploded Viewsand replacement parts list.-1-
请登录后查看评论内容