NIKON尼康数码相机900s-Part-List维修手册零部件手册

NIKON尼康数码相机900s-Part-List维修手册零部件手册-找手册网
NIKON尼康数码相机900s-Part-List维修手册零部件手册
此内容为付费资源,请付费后查看
1921
立即购买
您当前未登录!建议登陆后购买,可保存购买订单
付费资源

第1页 / 共16页

第2页 / 共16页

第3页 / 共16页

第4页 / 共16页

第5页 / 共16页

第6页 / 共16页

第7页 / 共16页

第8页 / 共16页

第9页 / 共16页

第10页 / 共16页
试读已结束,还剩6页,您可下载完整版后进行离线阅读
THE END
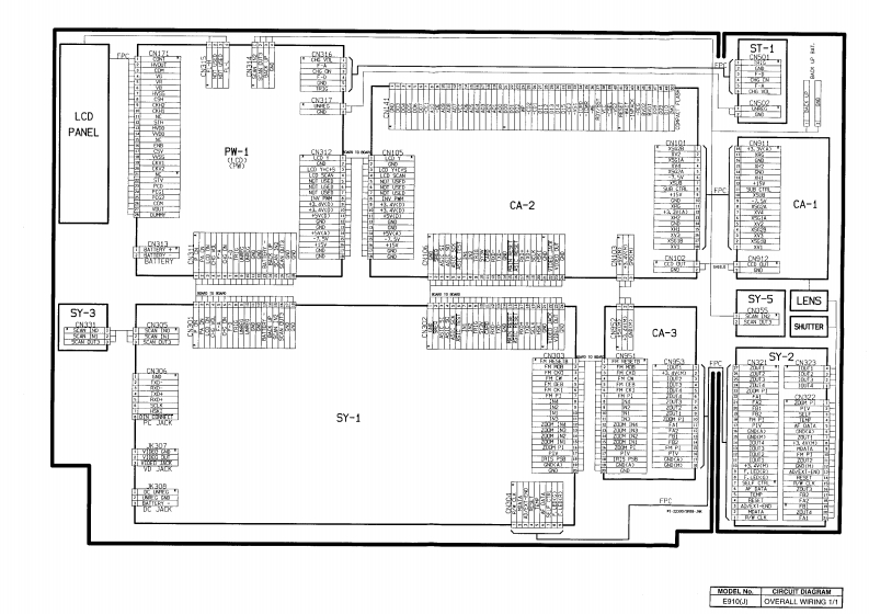
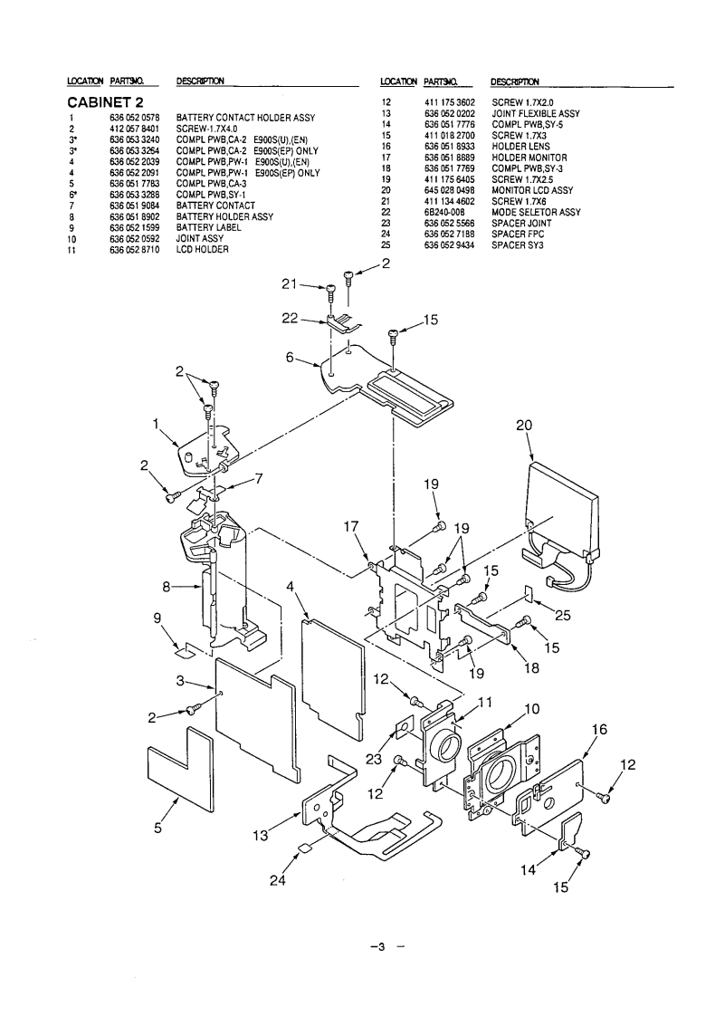
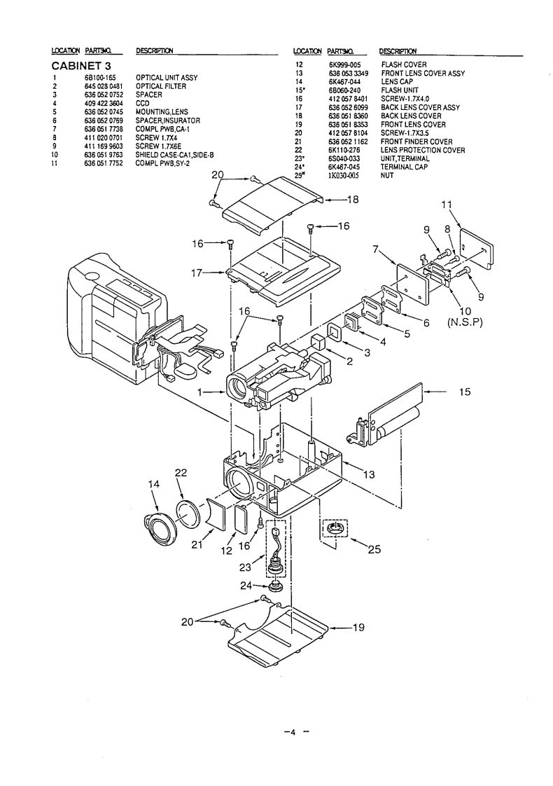
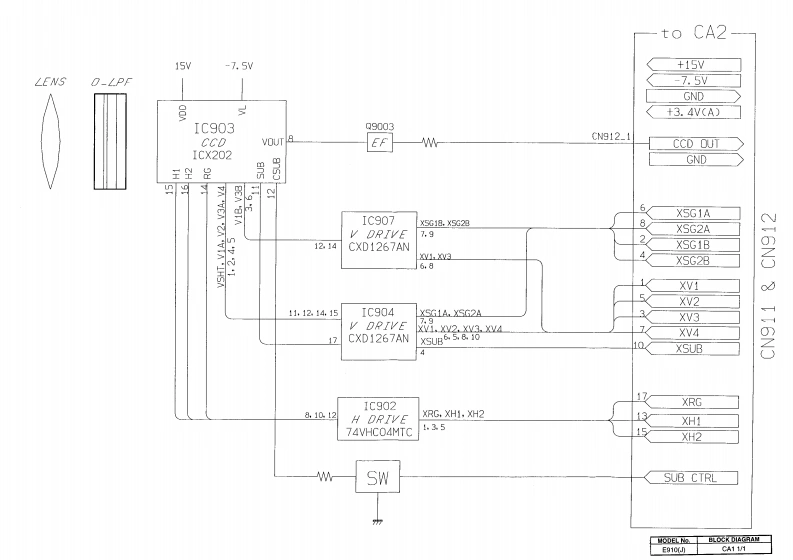
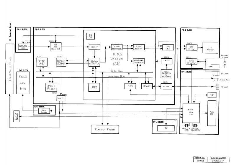
Parts ListDIGITAL STILL CAMERAE900S (US)E900S(EN)E900S (EP)Not supply as replacement parts that marked as N.S.PSAFTY NOTICE-When you need to replace parts that shoul be use listed in Exploded Views and replacement parts list.
喜欢就支持一下吧
评论 抢沙发

请登录后发表评论

    请登录后查看评论内容