Yorkville-Y115P-Powered-Speaker-Service-Manual维修服务手册说明书含电器原理图

Yorkville-Y115P-Powered-Speaker-Service-Manual维修服务手册说明书含电器原理图-找手册网
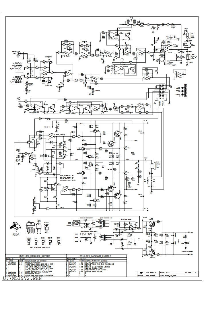
Yorkville-Y115P-Powered-Speaker-Service-Manual维修服务手册说明书含电器原理图
此内容为付费资源,请付费后查看
1921
立即购买
您当前未登录!建议登陆后购买,可保存购买订单
付费资源

第1页 / 共9页

第2页 / 共9页

第3页 / 共9页

第4页 / 共9页

第5页 / 共9页

第6页 / 共9页

第7页 / 共9页

第8页 / 共9页

第9页 / 共9页
已完成全部阅读,共9
THE END
performanceYorkvilleSERIESWEB ACCESS:http://www.yorkville.comWORLD HEADQUARTERSCANADAUS.AYorkville SoundYorkville Sound Inc.550 Gmanite Court4625 Wtmer Industrial EstateRdcerng.OntarioNagara Fals Now YorkL1W-3Y8 CANADA14305UsA6tc305837.84816ag716间297.2920Y115PMODEL TYPE:YS1068C30)837:8746FC71间2973589YorkvilleSERVICE MANUALQuality and Innovation Since 1963
喜欢就支持一下吧
评论 抢沙发

请登录后发表评论

    请登录后查看评论内容