Yorkville-Y118PW-Powered-Subwoofer-Service-Manual维修服务手册说明书含电器原理图

Yorkville-Y118PW-Powered-Subwoofer-Service-Manual维修服务手册说明书含电器原理图-找手册网
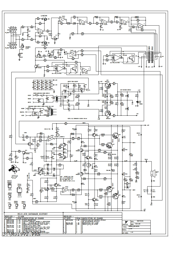
Yorkville-Y118PW-Powered-Subwoofer-Service-Manual维修服务手册说明书含电器原理图
此内容为付费资源,请付费后查看
1921
立即购买
您当前未登录!建议登陆后购买,可保存购买订单
付费资源

第1页 / 共6页

第2页 / 共6页

第3页 / 共6页

第4页 / 共6页

第5页 / 共6页

第6页 / 共6页
已完成全部阅读,共6
THE END
performanceYorkvilleSERIESOWEB ACCESS:http://www.yorkville.comWORLD HEADQUARTERSCANADAUSAYorkville SoundYorkville Sound Inc.50 Gmanise Court4625 tmer Indus过Ea8Rdcerng.OntarioNogara Fall,Now YorkL1W-3Y8 CANADA14305U5Aocg(9058378481Vctg71间297.2920FC(90)8378746F1C716间297.3589Y118PWYorkvilleSERVICE MANUALQuality and Innovation Since 1963
喜欢就支持一下吧
评论 抢沙发

请登录后发表评论

    请登录后查看评论内容