

第1页 / 共20页

第2页 / 共20页

第3页 / 共20页

第4页 / 共20页

第5页 / 共20页

第6页 / 共20页

第7页 / 共20页

第8页 / 共20页

第9页 / 共20页

第10页 / 共20页
试读已结束,还剩10页,您可下载完整版后进行离线阅读
THE END
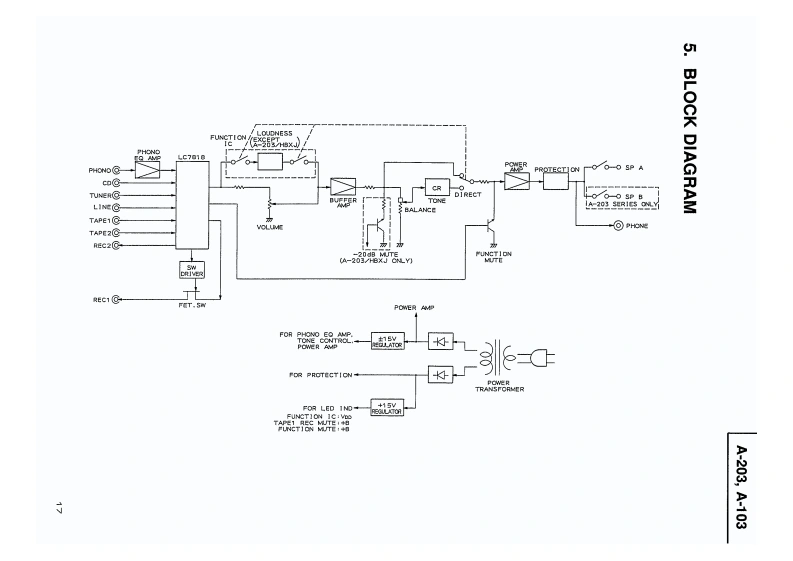
PIONEERThe Art of EntertainmentServiceManualORDER NO.证西@@g:868ARP2852The illustration shows model A-203.STEREO AMPLIFIERA-203A-103THIS MANUAL IS APPLICABLE TO THE FOLLOWING MODEL(S)AND TYPE(S).ModelTypePower RequirementThe voltage can be converted by theA-203A-103following method.HEXJO0AC220-230VAC240V,#HBXJ00AC240VAC220-230V,*HEWZXJ0oAC220-230VAC240V,#HLXJ0OAC220-230VAC240V.#SDXJO0AC110V/120-127V/220V/240VWith the voltage selectorYPWXJ0AC240V*Alter the wiring of the Power-supply block at the primary winding of Power-transformer referring to the "Line VoltageSelection"described in Service Manual..For the following:A-203/HBXJ,HEWZXJ,HLXJ and SDXJ;A-103/HBXJ,HEWZXJ,HLXJ,SDXJand YPWXJ,refer to page 22.CONTENTS1.DISASSEMBLY…22.EXPLODED VIEWS,PACKING AND PARTS LIST .33.SCHEMATIC DIAGRAM...64.PCB CONNECTION DIAGRAMS95.BLOCK DIAGRAM…176.PCB PARTS LIST…187.1 C INFORMATION…218.FOR A-203/HBXJ,HEWZXJ,HLXJ SDXJ,A-103/HBXJ,HEWZXJ,HLXJ,SDXJ AND YPWXJ .229.PANEL FACILITIES.................…2510.SPECIFICATI○NS*************…28
请登录后查看评论内容