

第1页 / 共32页

第2页 / 共32页

第3页 / 共32页

第4页 / 共32页

第5页 / 共32页

第6页 / 共32页

第7页 / 共32页

第8页 / 共32页

第9页 / 共32页

第10页 / 共32页
试读已结束,还剩22页,您可下载完整版后进行离线阅读
THE END
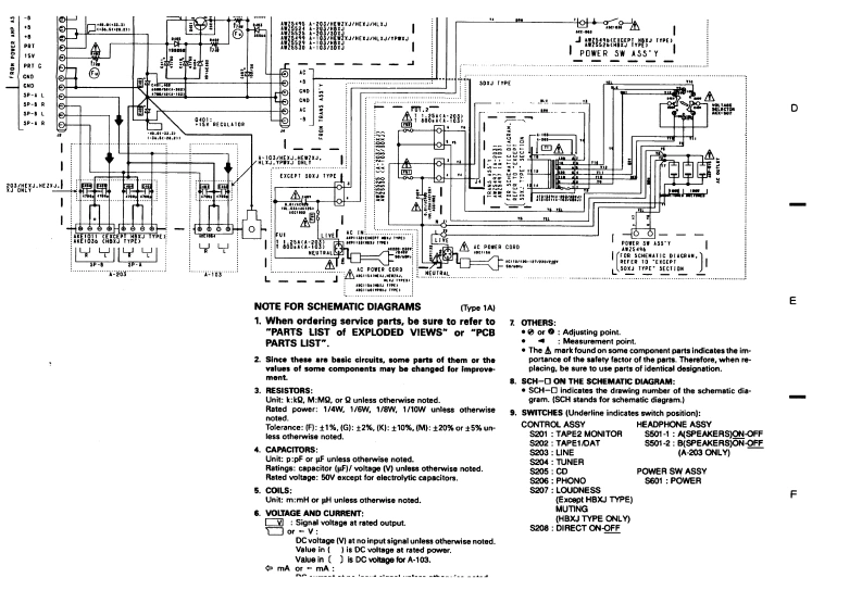
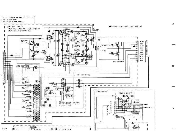
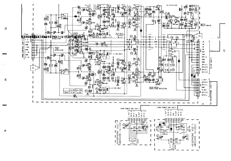
PIONEERThe Art of EntertainmentServiceManualORDER NO.RRV1586STEREO AMPLIFIERA-205A-105Refer to the service manual ARP2852 for A-203/HEXJ.THIS MANUAL IS APPLICABLE TO THE FOLLOWING MODEL(S)AND TYPE(S).ModelTypePower RequirementThe voltage can be converted by theA205A-105following method.SDXJ00AC100V/120-127V220V240VWith the voltage selectorHLXJ00AC220-230VAC240V,*HVXJ一0AC230VAC220-230M.*HYXJEW0AC220-230VAC240V,*HYXJGR0AC220-230VAC240V.**Alter the wiring of the Power-supply block at the primary winding of Posformer referring to the 'Line Voltage Selection'described in Service Manual.PlONEER ELECTRONIC CORPORATION 4-1,Meguro 1-Chome,Meguro-ku,Tokyo 153,JapanB8864肾46o8ee79ea8995分800t886PIONEER ELECTRONICS ASIACENTRE PTE LTD.501 Orchard Road,#10-00 Lane Crawford Place,Singapore 0923PIONEER ELECTRONIC CORPORATION 1996T-FZK APR.1996 Printed in Japan
请登录后查看评论内容