

第1页 / 共152页

第2页 / 共152页

第3页 / 共152页

第4页 / 共152页

第5页 / 共152页

第6页 / 共152页

第7页 / 共152页

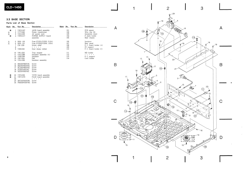
第8页 / 共152页

第9页 / 共152页

第10页 / 共152页
试读已结束,还剩142页,您可下载完整版后进行离线阅读
THE END
2PIONEERThe future of sound and vision.ServicecanualORDER NO.ARP2095COMPATIBLE LASER DISC PLAYERCLD-1500HEM.HBRefer to the service manual ARP1879,CLD-1400..This manual is applicable to the CLD-1500/HEM and HB types.PIONEER ELECTRONIC CORPORATION 4-1.Meguro 1-Chome.Meguro-ku.Tokyo 153.JapanPIONEER ELECTRONICS SERVICE INC.P.O.Box 1760,Long Beach,California 90801 U.S.APIONEER ELECTRONICS OF CANADA,INC.505 Cochrane Drive,Markham,Ontario L3R 8E3 CanadaPIONEER ELECTRONIC [EUROPE]N.V.Keetberglaan 1.2740 Beveren,BelgiumPIONEER ELECTRONICS AUSTRALIA PTY.LTD.PIONEER ELECTRONIC CORPORATION 1990178-184 Boundary Road,Braeside,Victoria 3195.Australia TEL:[03]580-9911IFJ JULY.1990 Printed ir
请登录后查看评论内容