pioneer_a107-h维修电器原理图

pioneer_a107-h维修电器原理图-找手册网
pioneer_a107-h维修电器原理图
此内容为付费资源,请付费后查看
1921
付费资源

第1页 / 共8页

第2页 / 共8页

第3页 / 共8页

第4页 / 共8页

第5页 / 共8页

第6页 / 共8页

第7页 / 共8页

第8页 / 共8页
已完成全部阅读,共8
THE END
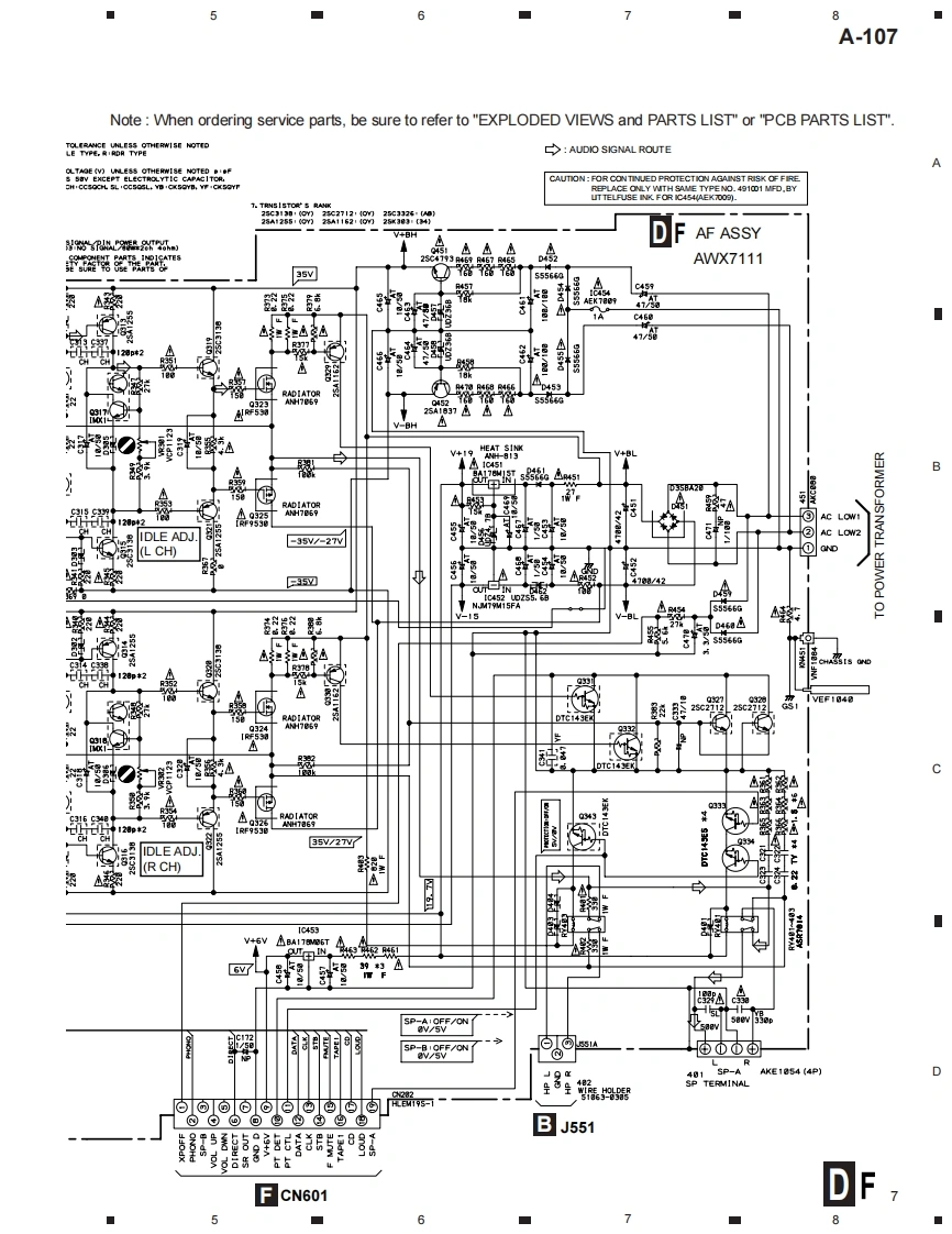
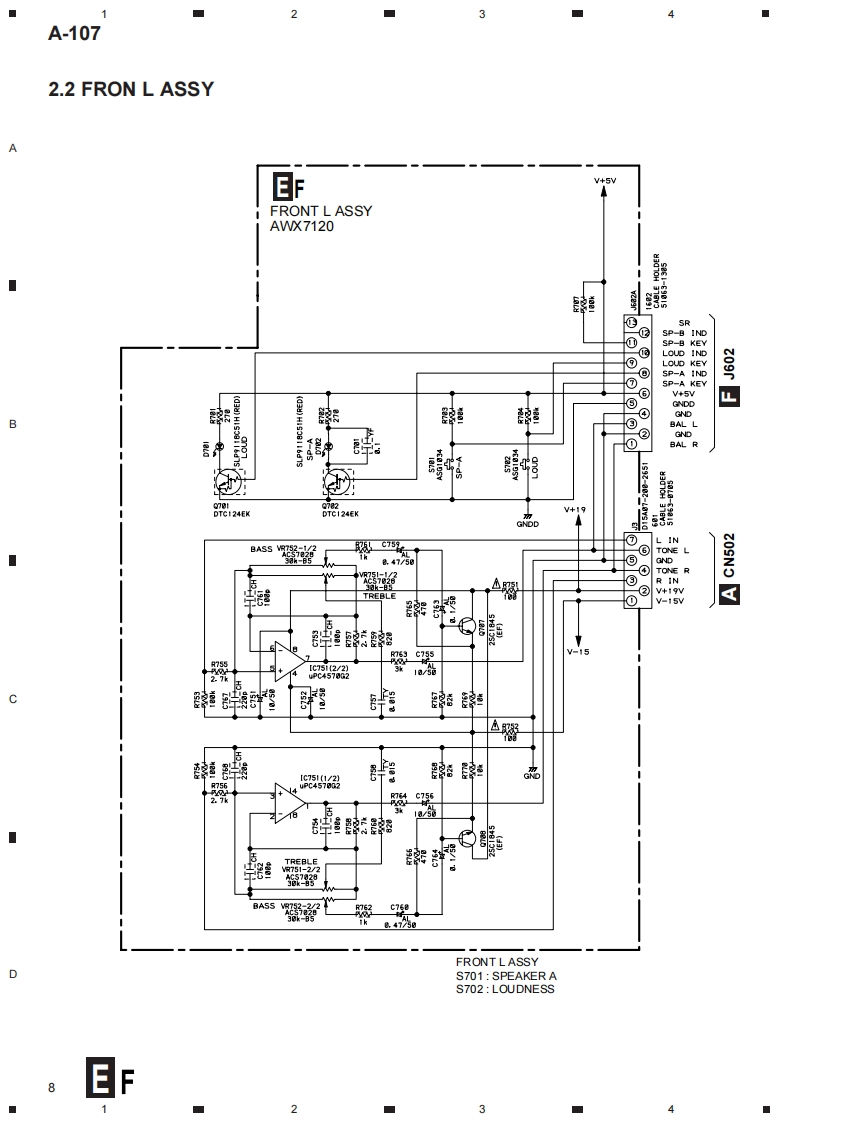
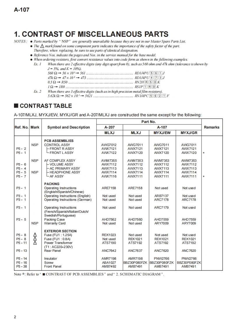
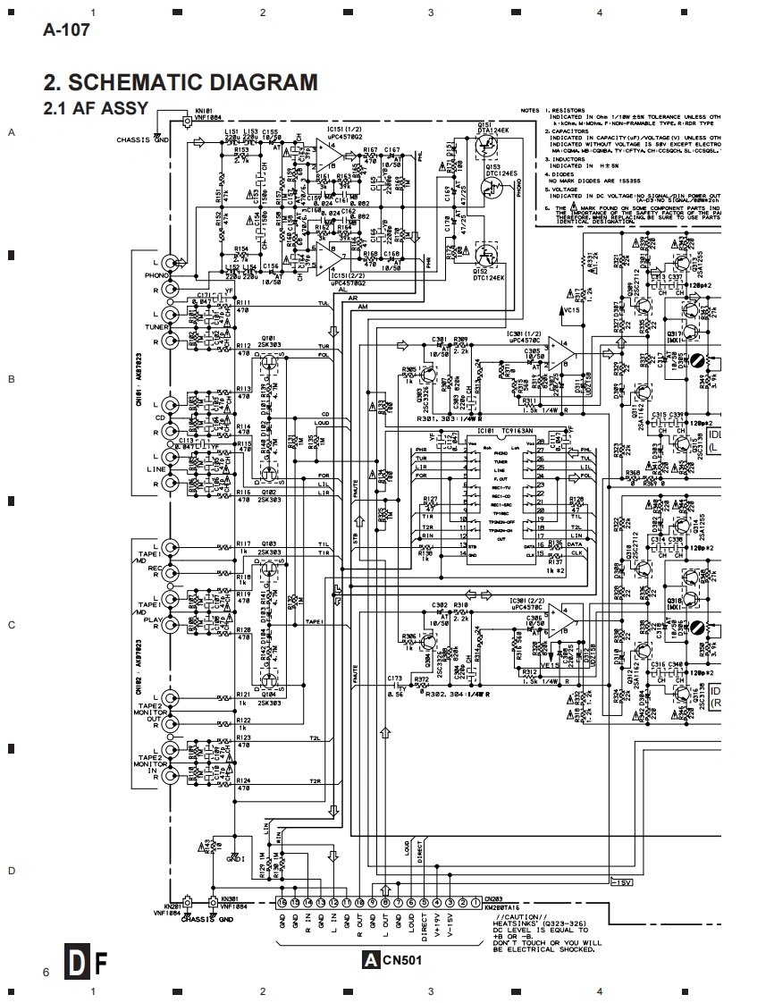
PIONEERThe Art of EntertainmentServiceManualORDER NO.RRV1913STEREO AMPLIFIERA-107Refer to the service manual RRV1935 for A-207/MLXJ.THIS MANUAL IS APPLICABLE TO THE FOLLOWING MODEL(S)AND TYPE(S).ModelTypePower RequirementRemarksA-107MLXJ0AC220-230VMYXJ/EW0AC220-230VMYXJ/GR0AC220-230VMVXJ0AC220-230WYPWXJ0AC240VCONTENTS1.CONTRAST OF MISCELLANEOUS PARTS........22.SCHEMATIC DIAGRAM6PIONEER ELECTRONIC CORPORATION 4-1,Meguro 1-Chome,Meguro-ku,Tokyo 153-8654.JapanPIONEER ELECTRONICS SERVICE,INC.P.O.Box 1760,Long Beach,CA90801-1760,U.S.A.PIONEER ELECTRONIC (EUROPE)N.V.Haven 1087,Keetberglaan 1,9120 Melsele,BelgiumPIONEER ELECTRONICS ASIACENTRE PTE.LTD.501 Orchard Road,#10-00 Lane Crawford Place,Singapore 0923@PIONEER ELECTRONIC CORPORATION 1998T-ZZE MAY 1998 Printed in Japan
喜欢就支持一下吧
评论 抢沙发

请登录后发表评论

    请登录后查看评论内容