芬达Fender_63_reverb_manual维修手册含电器原理图

芬达Fender_63_reverb_manual维修手册含电器原理图-找手册网
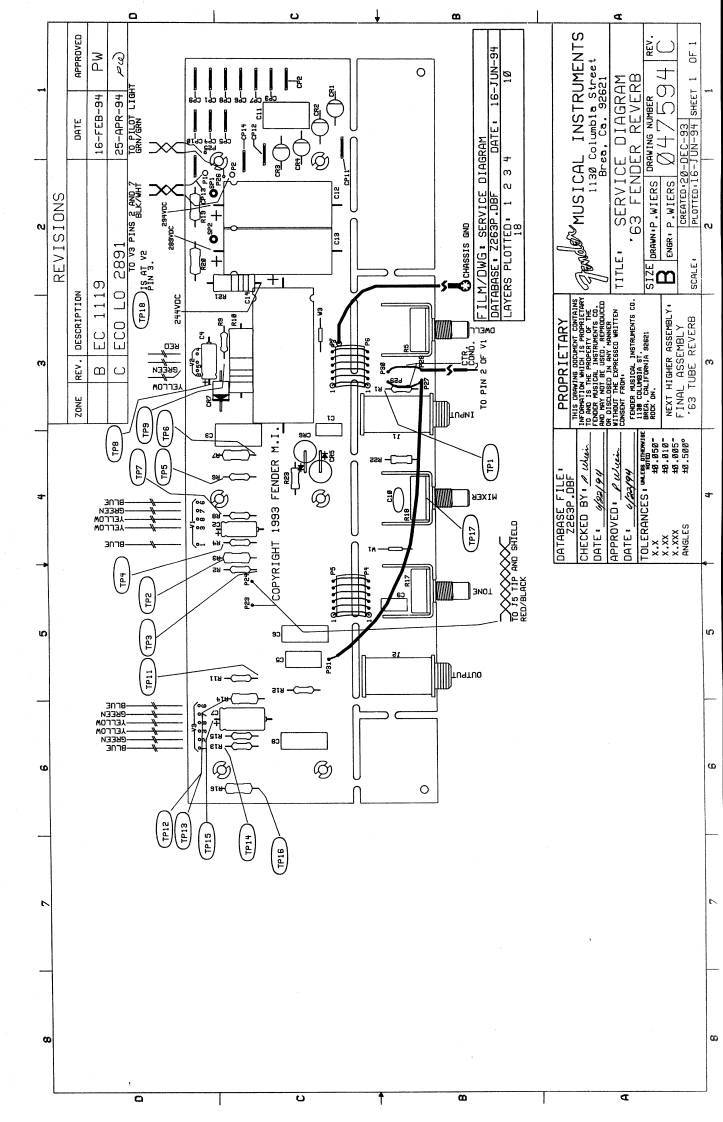
芬达Fender_63_reverb_manual维修手册含电器原理图
此内容为付费资源,请付费后查看
1921
立即购买
您当前未登录!建议登陆后购买,可保存购买订单
付费资源

第1页 / 共8页

第2页 / 共8页

第3页 / 共8页

第4页 / 共8页

第5页 / 共8页

第6页 / 共8页

第7页 / 共8页

第8页 / 共8页
已完成全部阅读,共8
THE END
63 Fender ReverbREISSUE SERIESELECTRONICSSERVICE MANUAL透OFFFUSETender10ONRenerbDWELLINPUTMIXERTONEOUTPUTFender Musical Instruments Corp.7975 North Hayden Road Scottsdale,AZ 85258
喜欢就支持一下吧
评论 抢沙发

请登录后发表评论

    请登录后查看评论内容