

第1页 / 共47页

第2页 / 共47页

第3页 / 共47页

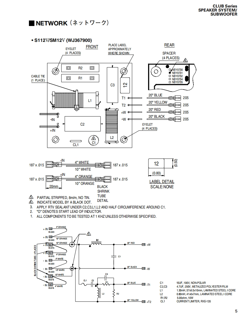
第4页 / 共47页

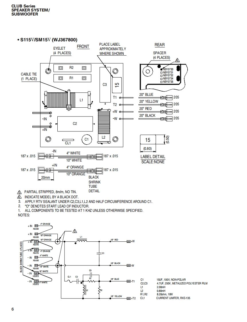
第5页 / 共47页

第6页 / 共47页

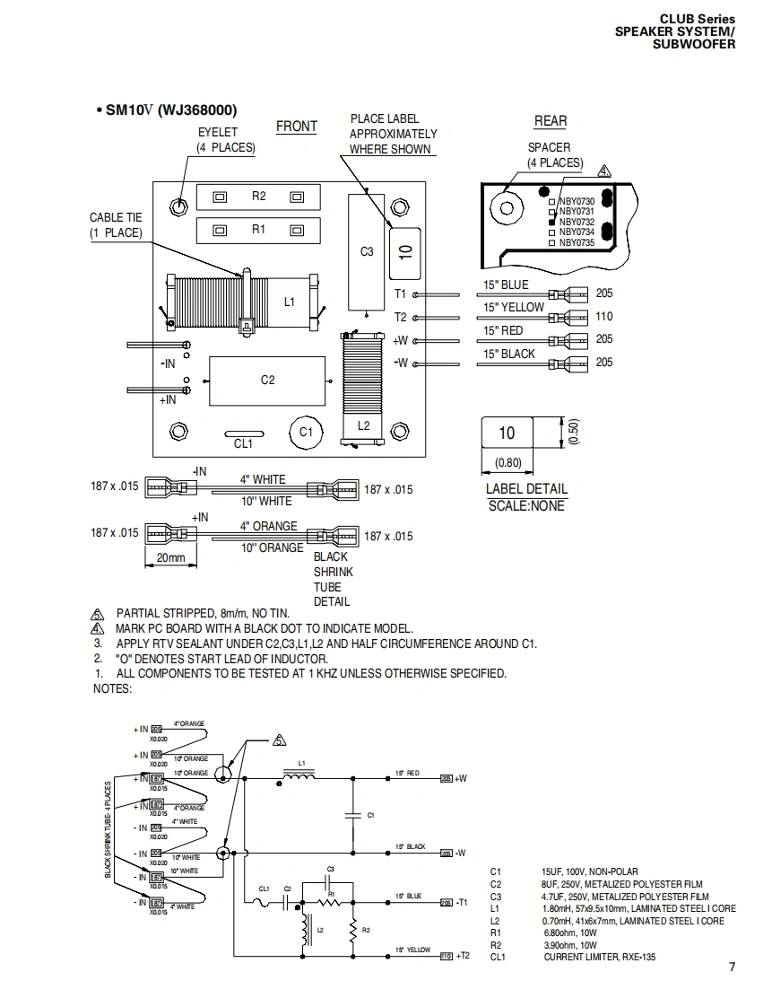
第7页 / 共47页

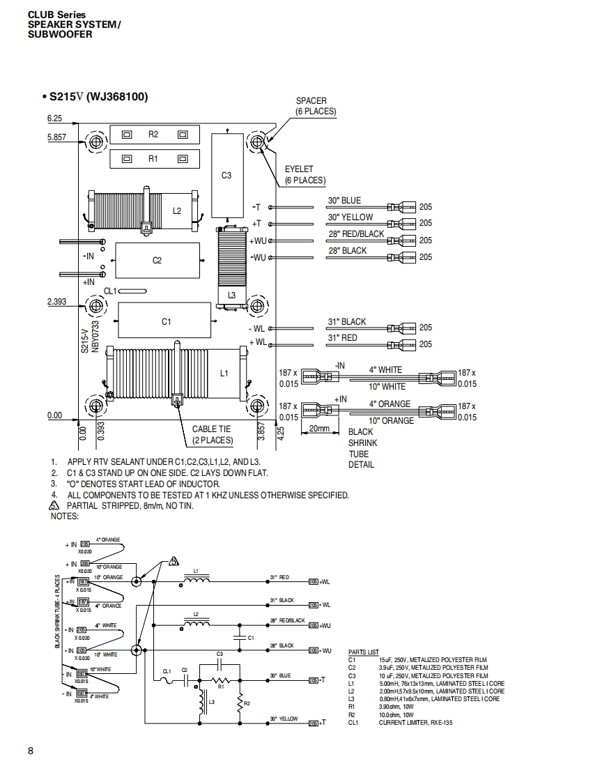
第8页 / 共47页

第9页 / 共47页

第10页 / 共47页
试读已结束,还剩37页,您可下载完整版后进行离线阅读
THE END
CLUB Series SPEAKER SYSTEM/SUBWOOFERSERVICE MANUAL型S112VS115VS215VSM10VSM12VSM15VSW115VSW118V■CONTENTS(目次)SPECIFICAT1ONS&DIMENSIONS(豁合仕樣&寸法☒)..3/4NETWORK(礻y卜7-)NIRE HARNESS(ワ亻ヤ-八-礻又).5DISASSEMBLY PROCEDURE(分解手順).10●S112V/S115V.....10●S215V..14SW218V●SM10V..17·SM12V/SM15V.2Use this manual for products with a serial number of 7 figures·SW115V/SW118V23(本了二ュ下儿t、制造番号护7桁②商品飞乙使用(龙ě(。)·SW218V.…6An example of a serial number(造番号例)NEUTRIK NL4FC PLUG WIRINGNK01069(又ピ口NEUTRIK NL4FCブラ5)配線)287 figures(7粉)PARTS LISTPA0118673W18N3878-86,99YAMAHASW218V:200706.136.500S112V:200706-68,250SM10V:200706-68,250HAMAMATSU,JAPANS115V:200706-78.750SM12V:200706-73500Copyright (c)Yamaha Corporation.All rights reserved.PDFH'07.07S215V:200706.157500SM15V:200706-84,000
请登录后查看评论内容