

第1页 / 共55页

第2页 / 共55页

第3页 / 共55页

第4页 / 共55页

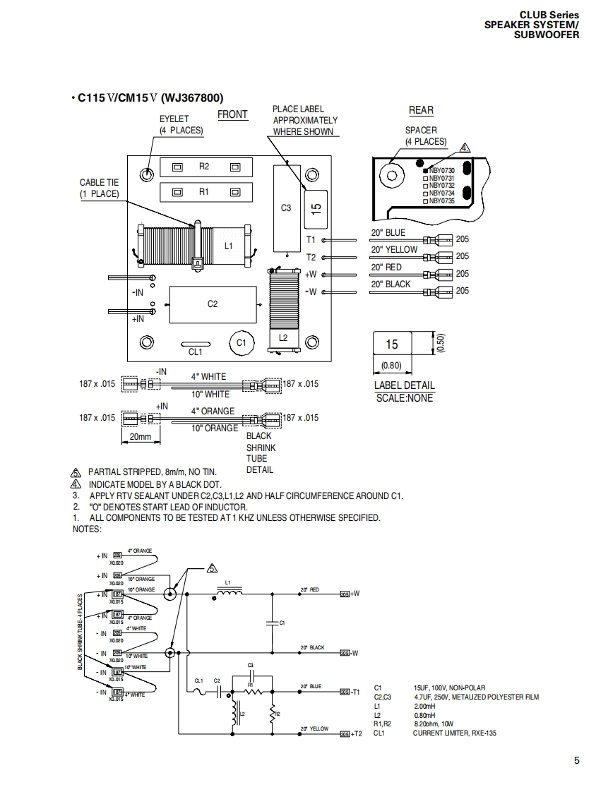
第5页 / 共55页

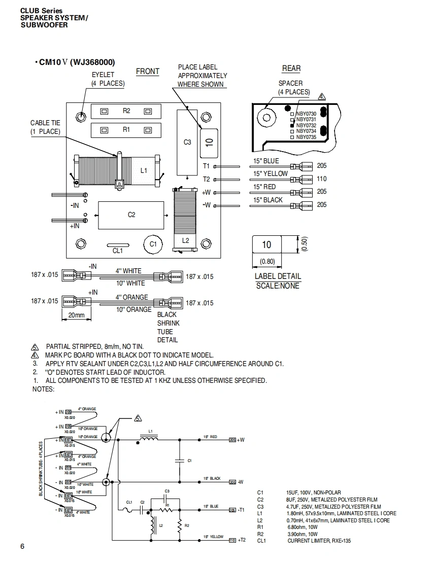
第6页 / 共55页

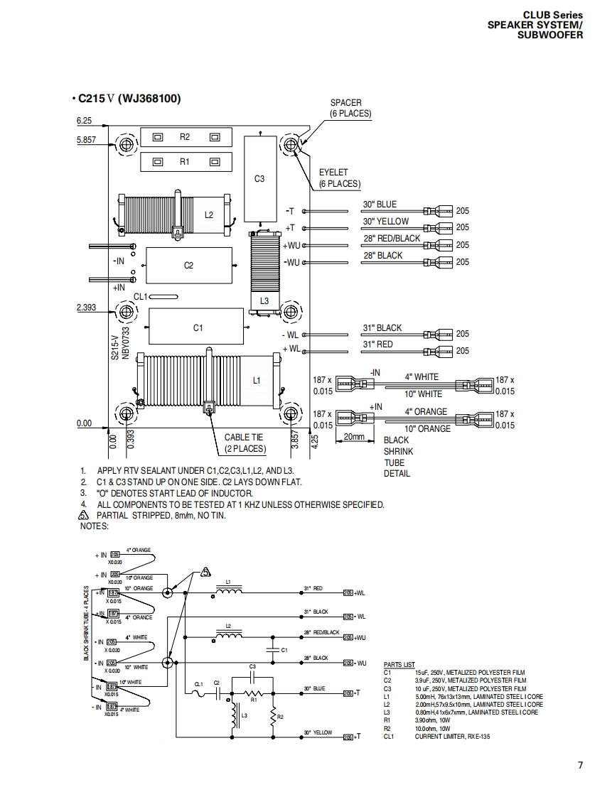
第7页 / 共55页

第8页 / 共55页

第9页 / 共55页

第10页 / 共55页
试读已结束,还剩45页,您可下载完整版后进行离线阅读
THE END
CLUB Series SPEAKER SYSTEM/SUBWOOFERSERVICE MANUAL国C112VC115VC112VAC115VAC215VCW115VCM10VCM12VCM15VUse this manual for products with a serial number of 7 figures.(本了二工了儿t、造番号护7桁D商品飞乙使用《龙意(。)An example of a serial number(造番号例0)NK010897 igures(7桁)CONTENTSSPECIFICATIONS DIMENSIONS.3NETWORKWIRE HARNESS10CW118VDISASSEMBLY PROCEDURE11·C112V/C115V11●C112VA/C115VA.14●C215V..16●CM10V.19·CM12V/CM15V22●CW115V/CW118V....25●CW218V....28·C112VA/C115VA(分解手順)30NEUTRIK NL4FC PLUG WIRINGCW218V(又ピ口NEUTRIK NL4FCブラ5)配線)32PARTS LISTPA011868YAMAHAS112VA:200706才-ブブ与1S115VA:200706才-ブブラ亻入HAMAMATSU,JAPANCopyright(c)Yamaha Corporation.All rights reserved.PDF'07.07
请登录后查看评论内容