

第1页 / 共67页

第2页 / 共67页

第3页 / 共67页

第4页 / 共67页

第5页 / 共67页

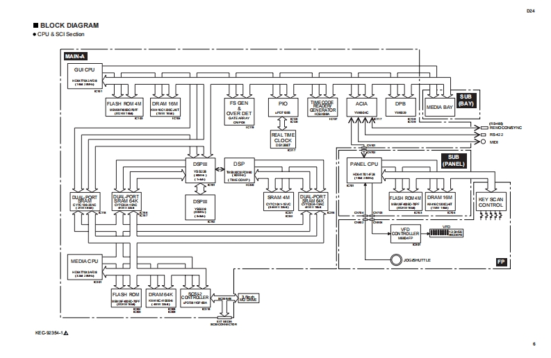
第6页 / 共67页

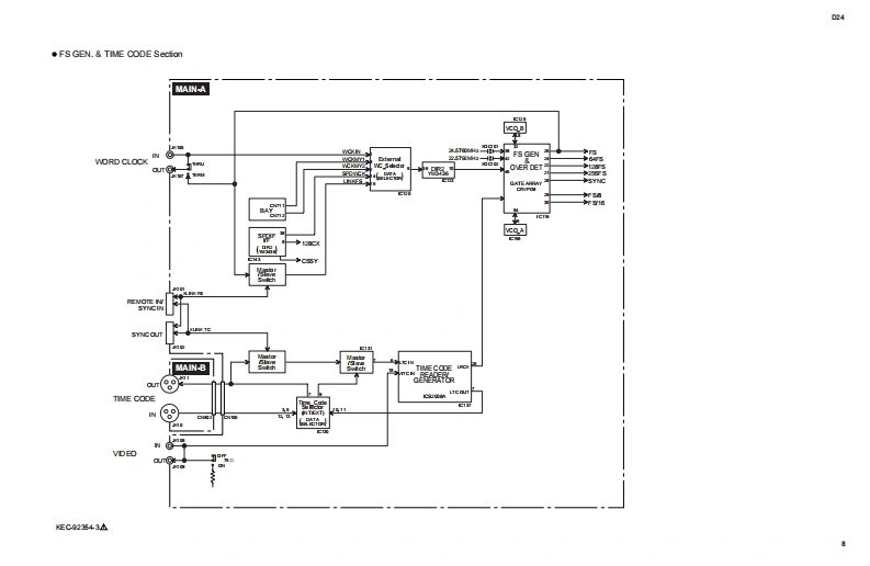
第7页 / 共67页

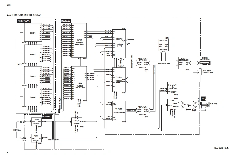
第8页 / 共67页

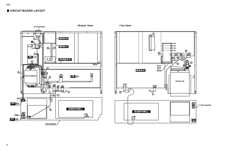
第9页 / 共67页

第10页 / 共67页
试读已结束,还剩57页,您可下载完整版后进行离线阅读
THE END
DIGITAL MULTITRACK RECORDERREMOTE CONTROLLER/LOCATOR己L十∥良二-O2十SERVICE MANUAL✉▣回D24■CONTENTPROTECTION OF EYESFROM LASER BEAM DURING SERVICING…3SPECIFICATIONS…5BLOCK DIAGRAM…6…CIRCUIT BOARD LAYOUT…9PANEL LAYOUT…13…D1 ISASSEMBLY PROCEDURE…5…LSI PIN DESCRIPTION·19…IC BLOCK DIAGRAM…3CIRCU|T BOARDS…34…ERROR MESSAGES38SETTING THE SCS…39NITIALIZE…40…CHECKING THE VERSION NUMBER...........................40UPDATING THE SYSTEM SOFTWARE...........................40DIMENSIONS.............40EJECTING TROUBLESOME DISKS.........................44TEST PROGRAM…42MIDI IMPLEMENTATION CHART..........................47PARTS LISTRC-D24 SERVICE MANUALOVERALL CIRCUIT DIAGRAMPA0114581/2米YAMAHAD24:19991210-380000HAMAMATSU.JAPANRC-D24:19991210-480001.52K-8312Printed in Japan 99.12
请登录后查看评论内容