

第1页 / 共56页

第2页 / 共56页

第3页 / 共56页

第4页 / 共56页

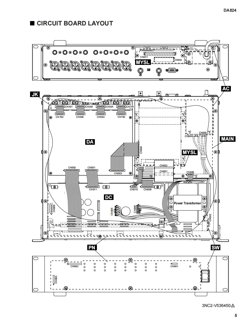
第5页 / 共56页

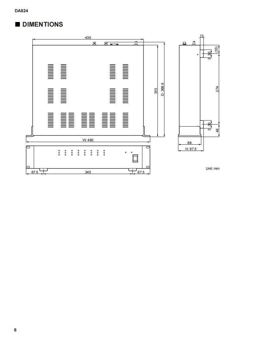
第6页 / 共56页

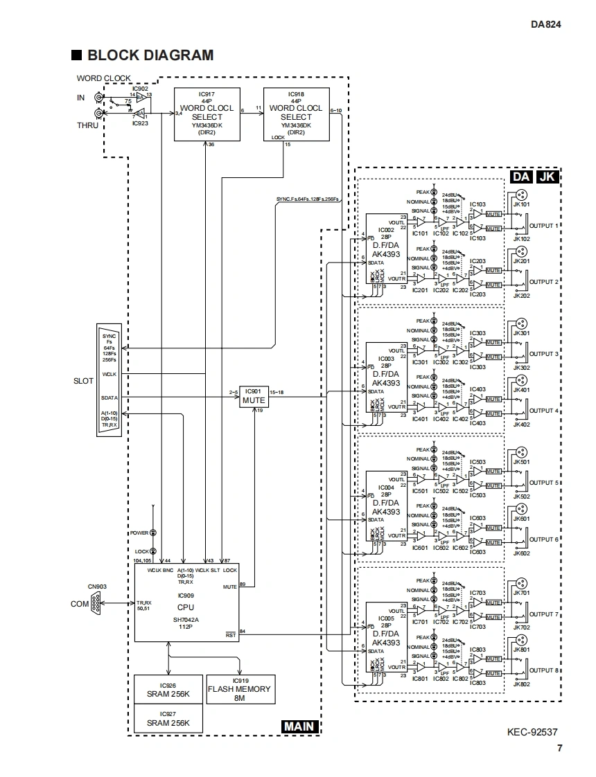
第7页 / 共56页

第8页 / 共56页

第9页 / 共56页

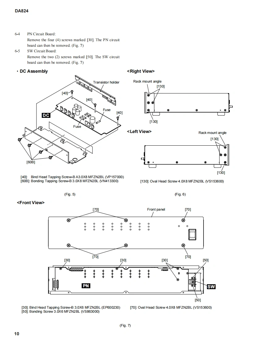
第10页 / 共56页
试读已结束,还剩46页,您可下载完整版后进行离线阅读
THE END
DA CONVERTERDA824SERVICE MANUAL二思YAMAHAD824■CONTENTSSPECIFICATIONS…3PANEL LAYOUT…4…CIRCUIT BOARD LAYOUT…5…DIMENTIONS…6…BLOCK DIAGRAM7…DISASSEMBLY PROCEDURE…8…LSI PIN DESCRIPTION…4…IC BLOCK DIAGRAM…13…CIRCUIT BOARDS............................................15…|NSPECTIONS…27…TEST PROGRAM29…FRASH ROM UPGRADE32…PARTS LISTThis document is pinted on chlorine free (ECF)paper with soy ink.OVERALL CIRCUIT DIAGRAMPA011524YAMAHA200005-110000HAMAMATSU.JAPAN1.44K-4111K Printed in Japan 00.05
请登录后查看评论内容