

第1页 / 共19页

第2页 / 共19页

第3页 / 共19页

第4页 / 共19页

第5页 / 共19页

第6页 / 共19页

第7页 / 共19页

第8页 / 共19页

第9页 / 共19页

第10页 / 共19页
试读已结束,还剩9页,您可下载完整版后进行离线阅读
THE END
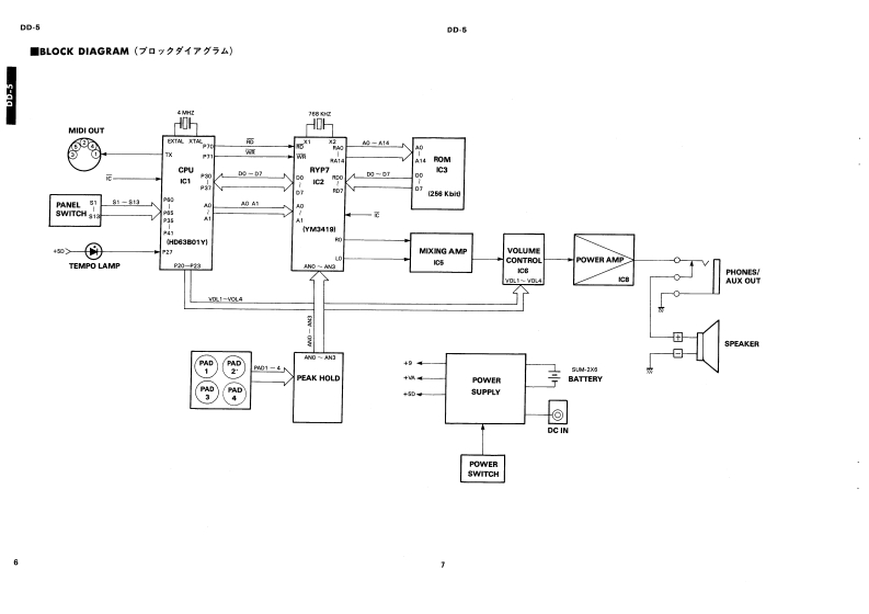
PS1CDDODIGITAL DRUMSSERVICE MANUAL88YA断AH■CONTENTS(目次)SPECIFICATIONS(然合仕樣).…CIRCUIT BOARD LAYOUT(1二y卜L了ヴ卜)·3PANEL LAYOUT(バ礻儿L了ヴ卜).,-gBLOCK DIAGRAM(ブ口y夕ダ1了夕ラㄙ)..·6DISASSEMBLY PROCEDURE(分解手順).......,⊙REASSEMBLY PROCEDURE(粗立手顺),....·9LSI DATA TABLE(LSI端子機能表).…·10IC BLOCK DIAGRAM(ICブ口y夕☒)....·11CIRCUIT BOARD(之一卜基板☒)…·12OVERALL CIRCUIT DIAGRAM(笼回路☒)14MIDI IMPLEMENTATION CHART.........................1617PARTS LISTYAMAHA CORP0013523.33K-821 Printed in Japan '88.5
请登录后查看评论内容