

第1页 / 共45页

第2页 / 共45页

第3页 / 共45页

第4页 / 共45页

第5页 / 共45页

第6页 / 共45页

第7页 / 共45页

第8页 / 共45页

第9页 / 共45页

第10页 / 共45页
试读已结束,还剩35页,您可下载完整版后进行离线阅读
THE END
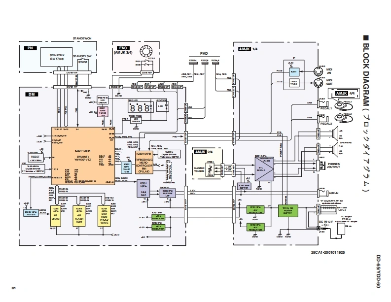
Digital Percussion▣-55/YDD-60SERVICE MANUAL数000001DD-65YDD-60YDD-60 is a model only for foreign countries except Japan.(YDD60体海外李用毛デ儿C寸。)■CONTENTS(目次)SPECIFICATIONS(然合仕樣).....3/4BLOCK DIAGRAM(ブay夕分亻7分ラㄙ).5PANEL LAYOUT(パ礻儿L亻77卜)6CIRCUIT BOARD LAYOUT(1二y卜亻了ヴ卜).8DISASSEMBLY PROCEDURE(分解手順).9LSI PIN DESCRIPTION(LS|端子機能表).12IC BLOCK DIAGRAM(ICブ口y夕☒).15CIRCUIT BOARDS(一卜基板☒)..16TEST PROGRAM(テ又卜ブ口分ラㄙ).....20/23DATA BACKUP /INITIALIZATION(1一圹一デ一のバy夕了yブ/初期化)..2728SYSTEM BOOTING FLOWCHART(起動7口一于ヤ一卜)..…29/30MIDI IMPLEMENTATION CHART(MID1亻yブ)×yテ一之3之于ヤ一卜).31PARTS LISTOVERALL CIRCUIT DIAGRAM(然回路☒)YAMAHAPK001784HAMAMATSU.JAPANDD-65:20070701-才-才>ブラ1又Copyright(c)Yamaha Corporation.All rights reserved.KMD07.06
请登录后查看评论内容