

第1页 / 共36页

第2页 / 共36页

第3页 / 共36页

第4页 / 共36页

第5页 / 共36页

第6页 / 共36页

第7页 / 共36页

第8页 / 共36页

第9页 / 共36页

第10页 / 共36页
试读已结束,还剩26页,您可下载完整版后进行离线阅读
THE END
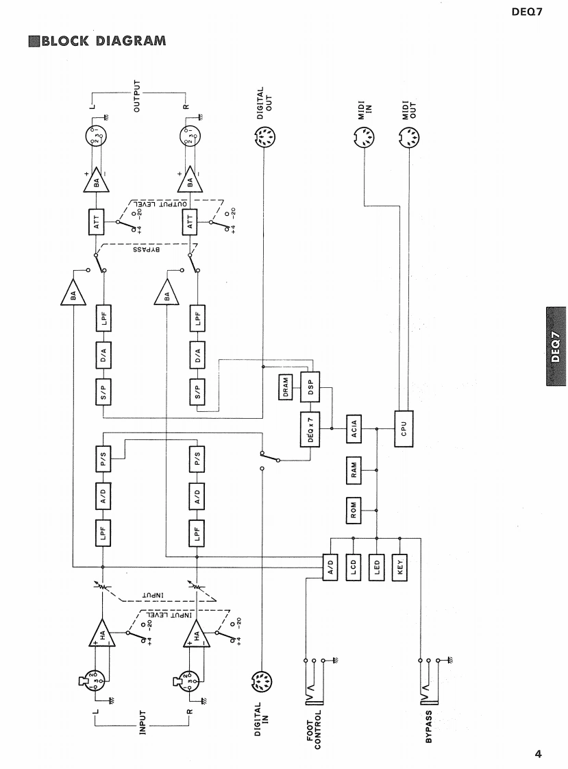
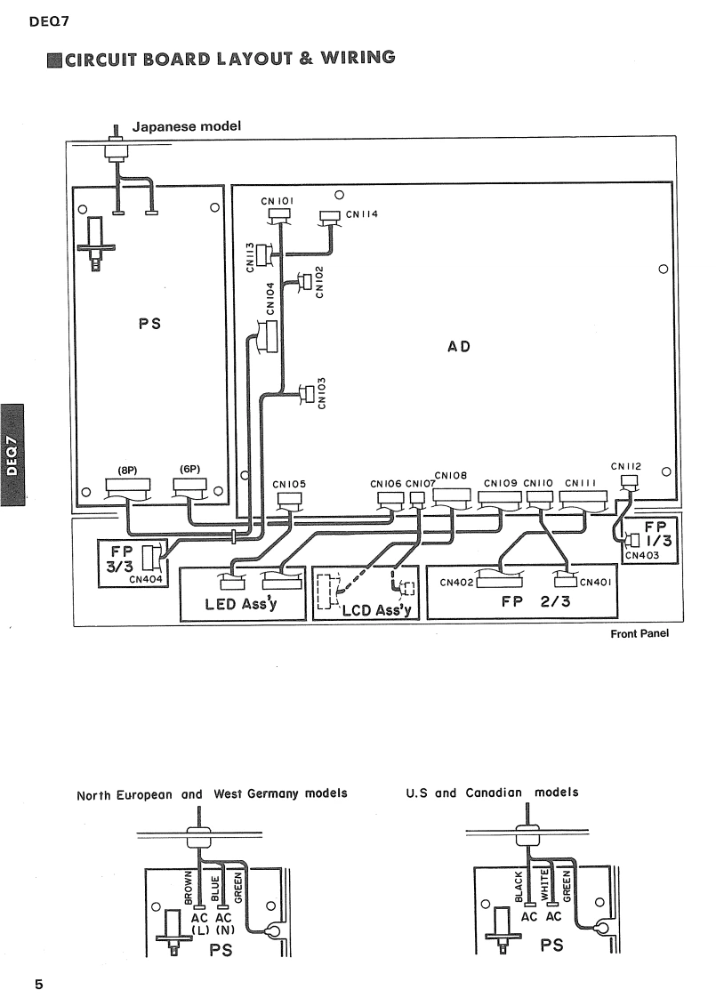
Digital EqualizerSERVICE MANUALO国CONTENTSSPECIFICATIONS...2PANEL LAYOUT…3DIMENSIONS3BLOCK DIAGRAM................4CIRCUIT BOARD LAYOUT WIRING5LSI DATA TABLE6IC BLOCK DIAGRAM…10CIRCUIT BOARDS…13MIDI DATA FORMAT…18MIDI IMPLEMENTATION CHART...........22TEST PROGRAM…23CHECKS…25ADJUSTMENTS……27DISASSEMBLY PROCEDURES29PARTS LISTYAMAHA CORP006775HAMAMATSU.JAPAN2.05K-492K Printed in Japan'87-11
请登录后查看评论内容