

第1页 / 共42页

第2页 / 共42页

第3页 / 共42页

第4页 / 共42页

第5页 / 共42页

第6页 / 共42页

第7页 / 共42页

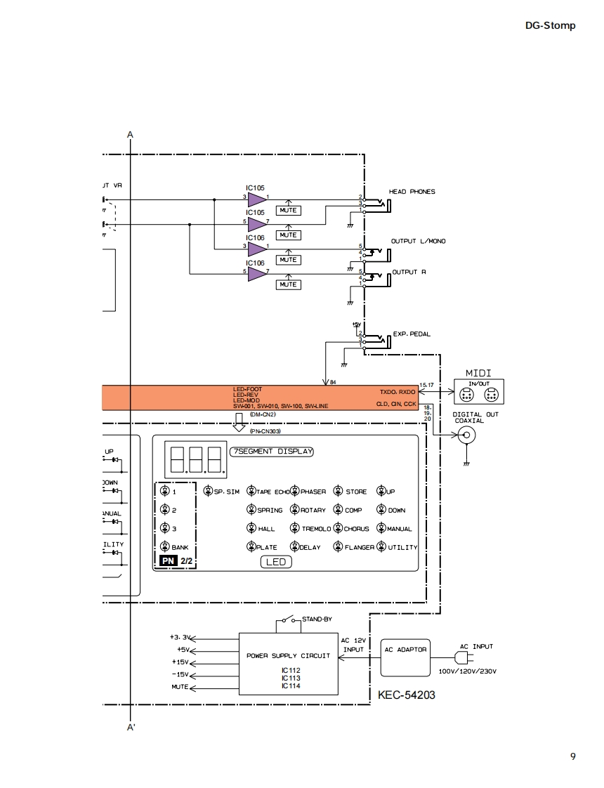
第8页 / 共42页

第9页 / 共42页

第10页 / 共42页
试读已结束,还剩32页,您可下载完整版后进行离线阅读
THE END
GUITAR PRE-AMPLIFIER WITH EFFECTS见有Som中SERVICE MANUAL零YAMAHAMASTERTREBLEMIDC美EBASSPRESENCE三恐■CONTENTSSPECIFICATIONS143/4PANEL LAYOUTBLOCK DIAGRAMCIRCUIT BOARD LAYOUT10WIRING11DISASSEMBLY PROCEDURE12LSI PIN DESCRIPTION15IC BLOCK DIAGRAM18CIRCUIT BOARDSTEST PROGRAM28色soERROR MESSAGESMIDI IMPLEMENTATION CHART32This document is prnted on chlorhe fee (ECF)paper with soy inkPARTS LISTOVERALL CIRCUIT DIAGRAMYAMAHAGA011537HAMAMATSU,JAPAN20001001-398001.57K-786 I.TPrinted in Japan 2000.09
请登录后查看评论内容