

第1页 / 共42页

第2页 / 共42页

第3页 / 共42页

第4页 / 共42页

第5页 / 共42页

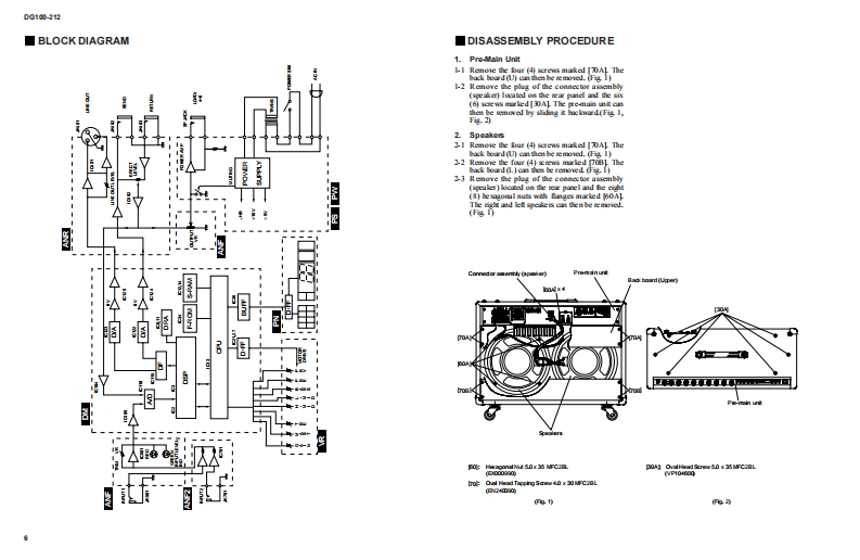
第6页 / 共42页

第7页 / 共42页

第8页 / 共42页

第9页 / 共42页

第10页 / 共42页
试读已结束,还剩32页,您可下载完整版后进行离线阅读
THE END
GUITAR PRE-AMPLIFIER2f1oo-22SERVICE MANUAL-291oo零YAMAHA■CONTENTSSPECIFICATIONS.3PANEL LAYOUT....................................................4CIRCUIT BOARD LAYOUT…BLOCK DIAGRAM..........................................................DISASSEMBLY PROCEDURE..........................................LSI PIN DESCRIPTION…9IC BLOCK DIAGRAM…12CIRCUIT BOARDS…14…TEST PROGRAM......................18ERROR MESSAGES…21MIDI IMPLEMENTATION CHART......................22PARTS LISTOVERALL CIRCUIT DIAGRAMGA011400米YAMAHA19980301-198000HAMAMATSU.JAPAN2.1K-656 Printed in Japan 98.03
请登录后查看评论内容